

第1页 / 共32页

第2页 / 共32页

第3页 / 共32页

第4页 / 共32页

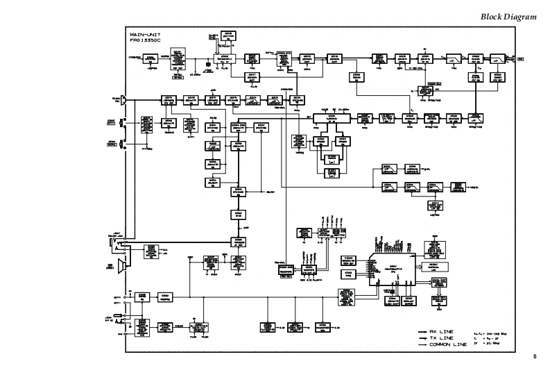
第5页 / 共32页

第6页 / 共32页

第7页 / 共32页

第8页 / 共32页

第9页 / 共32页

第10页 / 共32页
试读已结束,还剩22页,您可下载完整版后进行离线阅读
THE END
YAESUVERTEX STANDARD CO.,LTD.4-8-8 Nakameguro,Meguro-Ku,Tokyo 153-8644,JapanVERTEX STANDARDUS Headquarters10900 Walker Street,Cypress,CA 90630,U.S.A.vX-120/-170YAESU EUROPE B.V.P.O.Box 75525,1118 ZN Schiphol,The NetherlandsYAESU UK LTD.Unit 12,Sun Valley Business Park,Winnall CloseTechnical SupplementWinchester,Hampshire,SO23 OLB,U.K.VERTEX STANDARD HK LTD.2005 VERTEX STANDARD CO.,LTD.EHO22N90AUnit 5,20/F.,Seaview Centre,139-141 Hoi Bun Road,Kwun Tong,Kowloon,Hong KongVX-120VX-170IntroductionThis manual provides the technical information necessary for servicing the VX-120/-170 VHF FM Transceiver.Servicing this equipment requires expertise in handing surface-mount chip components.Attempts by non-qualifiedpersons to service this equipment may result in permanent damage not covered by the warranty,and may be illegal insome countries.Two PCB layout diagrams are provided for each double-sided board in this transceiver.Each side of the board isreferred to by the type of the majority of components installed on that side("Side A"or"Side B").In most cases oneside has only chip components(surface-mount devices),and the other has either a mixture of both chip and leadedcomponents(trimmers,coils,electrolytic capacitors,ICs,etc.),or leaded components only.While we believe the information in this manual to be correct,VERTEX STANDARD assumes no liability for damagethat may occur as a result of typographical or other errors that may be present.Your cooperation in pointing out anyinconsistencies in the technical information would be appreciated.ContentsSp ecificatiOnS2Exploded View Miscellaneous Parts ....3Block Diagram.5Circuit Description.......7Alignment.9Board Units (Schematics,Layouts Parts)Main Unit.........13FTD-7 DTMF Paging Unit (Option)..29
请登录后查看评论内容