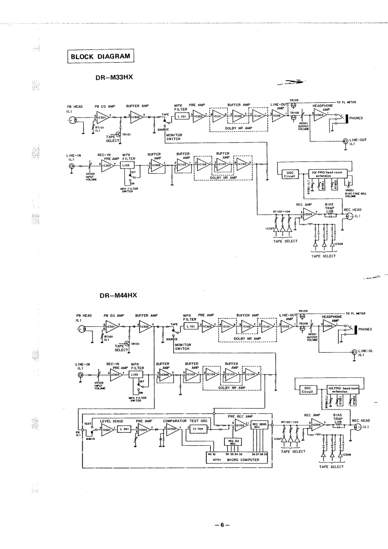
Denon-DRM-33HX-维修手册找手册网18天前发布关注私信3.66MB48页038Denon-DRM-33HX-维修手册此内容为付费资源,请付费后查看¥19¥21黄金会员免费钻石会员免费登录购买付费资源 第1页 / 共48页 第2页 / 共48页 第3页 / 共48页 第4页 / 共48页 第5页 / 共48页 第6页 / 共48页 第7页 / 共48页 第8页 / 共48页 第9页 / 共48页 第10页 / 共48页 试读已结束,还剩38页,您可下载完整版后进行离线阅读 THE ENDDenon/Marantz 文本预览 DENONHi-FT ComponentSERVICE MANUALSTEREO CASSETTE TAPE DECKMODEL DR-M33HX/DR-M44HXDR-M33HX象地g.DR-M44HXNIPPON COLUMBIA CO.,LTD 查看更多 收起部分 喜欢就支持一下吧收藏
请登录后查看评论内容