

第1页 / 共24页

第2页 / 共24页

第3页 / 共24页

第4页 / 共24页

第5页 / 共24页

第6页 / 共24页

第7页 / 共24页

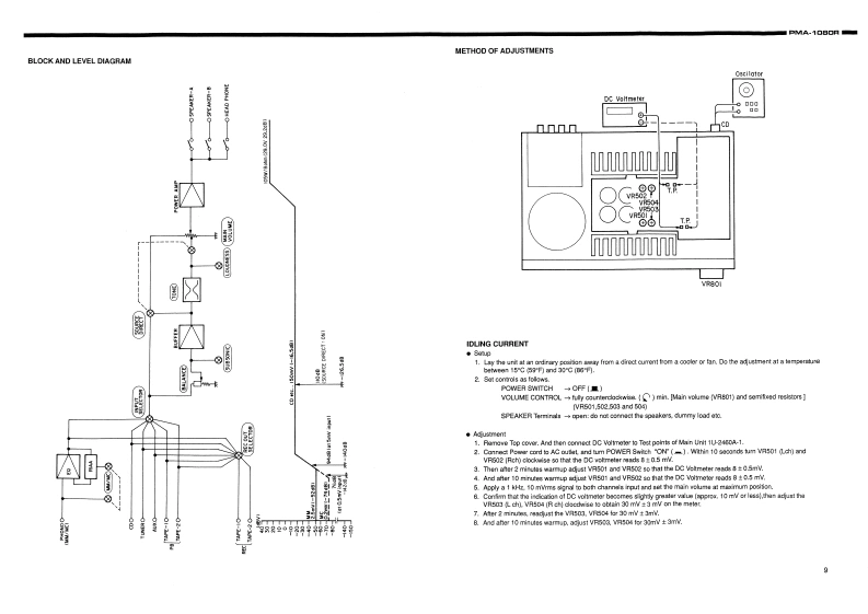
第8页 / 共24页

第9页 / 共24页

第10页 / 共24页
试读已结束,还剩14页,您可下载完整版后进行离线阅读
THE END
DENONHi-Fi Integrated Stereo AmplifierSERVICE MANUALMODEL PMA-1▣8RINTEGRATED STEREO AMPLIFIERDENONCONTENTSOPERATING INSTRUCTIONS2-7BLOCK AND LEVEL DIAGRAM9METHOD OF ADJUSTMENTSREMOVAL OF EACH SECTION10SEMICONDUCTORS……:PRINTED WIRING BOARD12,13PRINTED WIRING BOARD PARTS LIST.1417WIRING DIAGRAM.18EXPLODED VIEW OF CHASSIS AND CABINET19PARTS LIST OF EXPLODED VIEW20SCHEMATIC DIAGRAM................................................................21,22NIPPON COLUMBIA CO..LTD
请登录后查看评论内容