

第1页 / 共20页

第2页 / 共20页

第3页 / 共20页

第4页 / 共20页

第5页 / 共20页

第6页 / 共20页

第7页 / 共20页

第8页 / 共20页

第9页 / 共20页

第10页 / 共20页
试读已结束,还剩10页,您可下载完整版后进行离线阅读
THE END
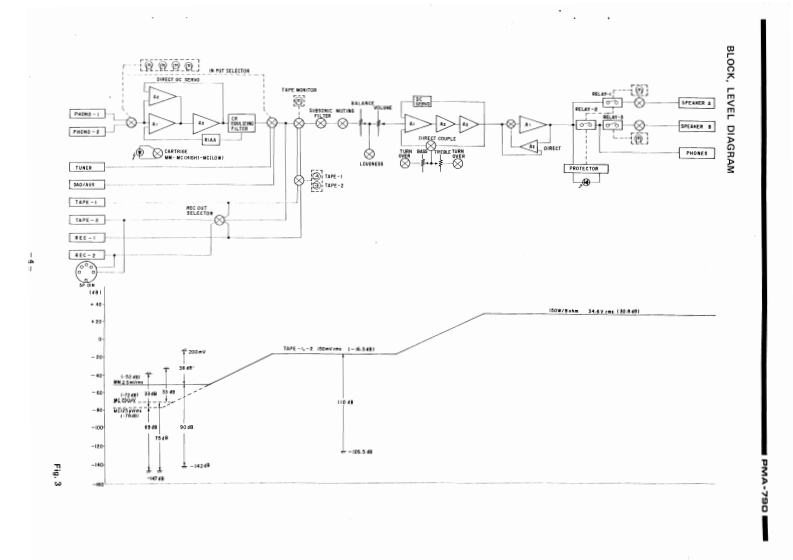
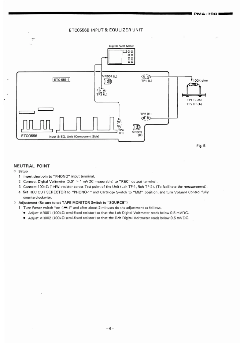
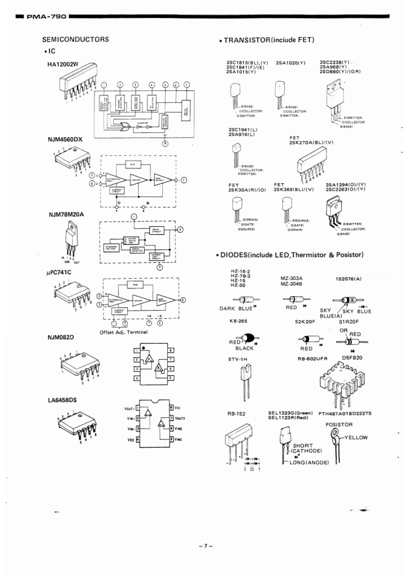
DENONHi-Fi Pre-Main AmplifierSERVICE MANUALMODEL PMA-790SOLID-STATEPRE MAIN AMPLIFIERTABLE OF CONTENTSSPECIFICATIONSDESIGNATIONS AND FUNCTIONS OF FRONT PANEL CONTROLSBLOCK,LEVER DIAGRAM.........METHOD OF ADJUSTMENTS.......................5~6SEMICONDUCTORS..........PRINTED WIRING BOARD PATTERNS AND PARTS LISTINPUT EQ.UNIT ETC0556B.........⊙POWER AMP.POWER SOURCE UNIT PUS0021B9~10CONTROL LAMP UNIT ETC0057B.11~12POWER SUPPLY PROTECTOR UNIT ETC0558B13~14CONNECTION DIAGRAM ....WIRING DIAGRAM16EXPLODED VIEW OF CHASSIS AND CABINET17NIPPON COLUMBIA CO.,LTD83 APR.
请登录后查看评论内容