

第1页 / 共28页

第2页 / 共28页

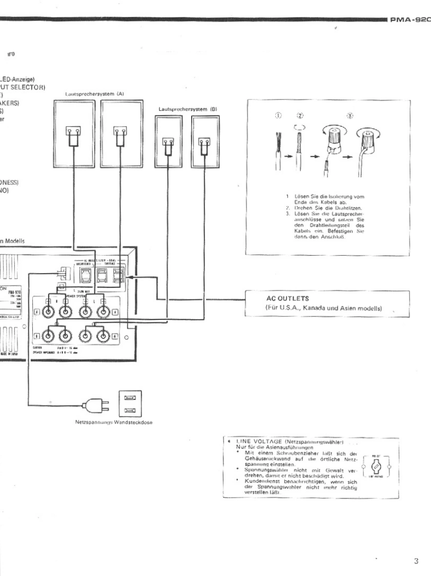
第3页 / 共28页

第4页 / 共28页

第5页 / 共28页

第6页 / 共28页

第7页 / 共28页

第8页 / 共28页

第9页 / 共28页

第10页 / 共28页
试读已结束,还剩18页,您可下载完整版后进行离线阅读
THE END
DENONIntegrierter Hi-Fi-StereoverstarkerWARTUNGSANLEITUNGTYPPMA-920INTEGRIERTER STEREOVERSTARKERINHALTTECHNISCHE DATEN·,···ANSCHLUSSE3ZERLEGEN........EINSTELLUNG5BLOCKSCHALTBILD5HALBLEITER..6TEILELISTE DER PLATINE·····.·······7.8PLATINENETZTEIL-UND KLANGREGELBAUGRUPPE KU-9138{Europa austuhrung).,,,····NETZTEIL-UND KLANGREGELBAUGRUPPE KU-9141(Ausfuhrung fur USA und Kanada)10ENDSTUFENBAUGRUPPE KU-913711ANSCHLUSSDIAGRAMM.,,...,,,,,,,.·.·12SCHALTPLAN..13EXPLOSIONSZEICHNUNG VON CHASSIS UND GEHAUSE UND TEILELISTE ..............14ZUSATZLISTE.·.··15NIPPON COLUMBIA CO.LTD.
请登录后查看评论内容