

第1页 / 共13页

第2页 / 共13页

第3页 / 共13页

第4页 / 共13页

第5页 / 共13页

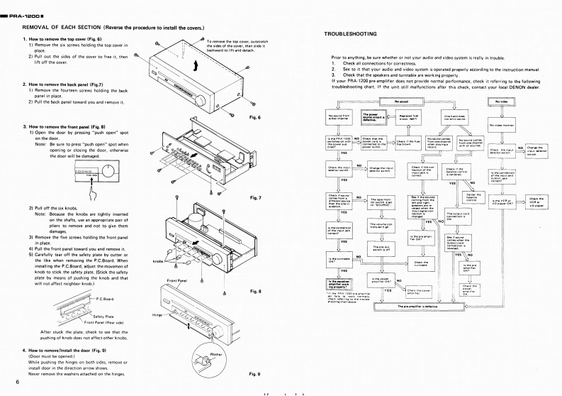
第6页 / 共13页

第7页 / 共13页

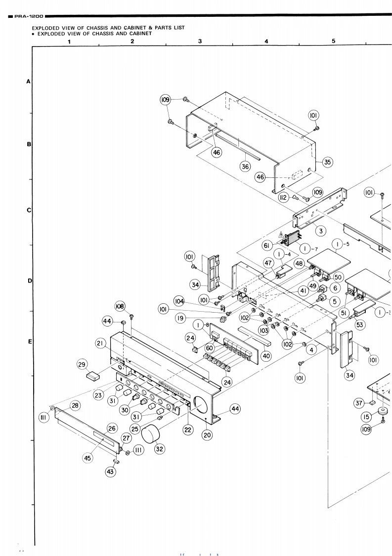
第8页 / 共13页

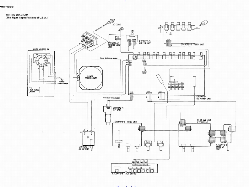
第9页 / 共13页

第10页 / 共13页
试读已结束,还剩3页,您可下载完整版后进行离线阅读
THE END
DENONH-Fi Stereo PreampifierSERVICE MANUALFor U.S.A.and Asia ModelsCANADAMODEL PRA-M2▣OCAUTIONRISK OF ELECTRIC SHOCKDO NOT OPENSTEREO PREAMPLIFIERCAUTION:TO REOUCE THE RISK OF ELECTRICSHOCK.DO NOT REMOVE COVER (OR BACKI.NOUSER SERVICEABLE PARTS INSIDE.REFER SERVIC-ING TO QUALIFIED SERVICE PERSONNEL.The ightsing lianh with arreahead famiol withn an eaulatera trangle6iwn过oath0t0t内t0tien线nnu一n0u由oao行聊40fty吃h6线1D门0nThe earigm10n0 nt withn an3 ulateral vin号in1t同ed0etthe ue of the pres罐a mport30解ngnd中Men8w8ing ifolructian in tha terature accompanying the appianoe.NARNING:TO PREVENT FIRE OR SHOCK HAZARD,DO NOT EXPOSE THIS APPLIANCE TO RAIN OR MOISTURECONTENTSSPECIFICATIONS.无有111111444卡卡卡卡卡卡卡”卡中”====中年-5年5年卡年下下卡卡NAMES AND FUNCTIONS OF PARTS.......................-.-.-.-.............CONNECTONSBLOCK DIAGRAM4METHOD OF ADJUSTMENTS55REMOVALOF EACH SEcnON,..............................--.--.-.-.-........TR0U8L55H00TNG.-.,.,-6SEMICONDUCTORS.PRINTE WIRING BDARD PATTERNS AND PARTS LiSTPRINTE0 NIRING B04 D PARTS LIST,,,,,:810PRINTED WIRING BOARO PATTERNETC9072E PREAMP LINIT10AIRING DIAGRAM。NIPPON COLUMBLA CO.LTD1a-14.4-CHCME AKASAKAEDDe0 VIEW OF CHAS8sAN口CABINET&PA网T5U5T,,:,:,:::,..·,-:-14ADDENDUM LISTMINATOKU.TOKYO 900-11.JAPANT6L钟48111T几K:APANCLA5MCABLE:NIPPONDOLUMOIA TOKYONIPPON COLUMBIA CO.,LTD.Prinkod in Jpan0g可g1g0
请登录后查看评论内容