

第1页 / 共46页

第2页 / 共46页

第3页 / 共46页

第4页 / 共46页

第5页 / 共46页

第6页 / 共46页

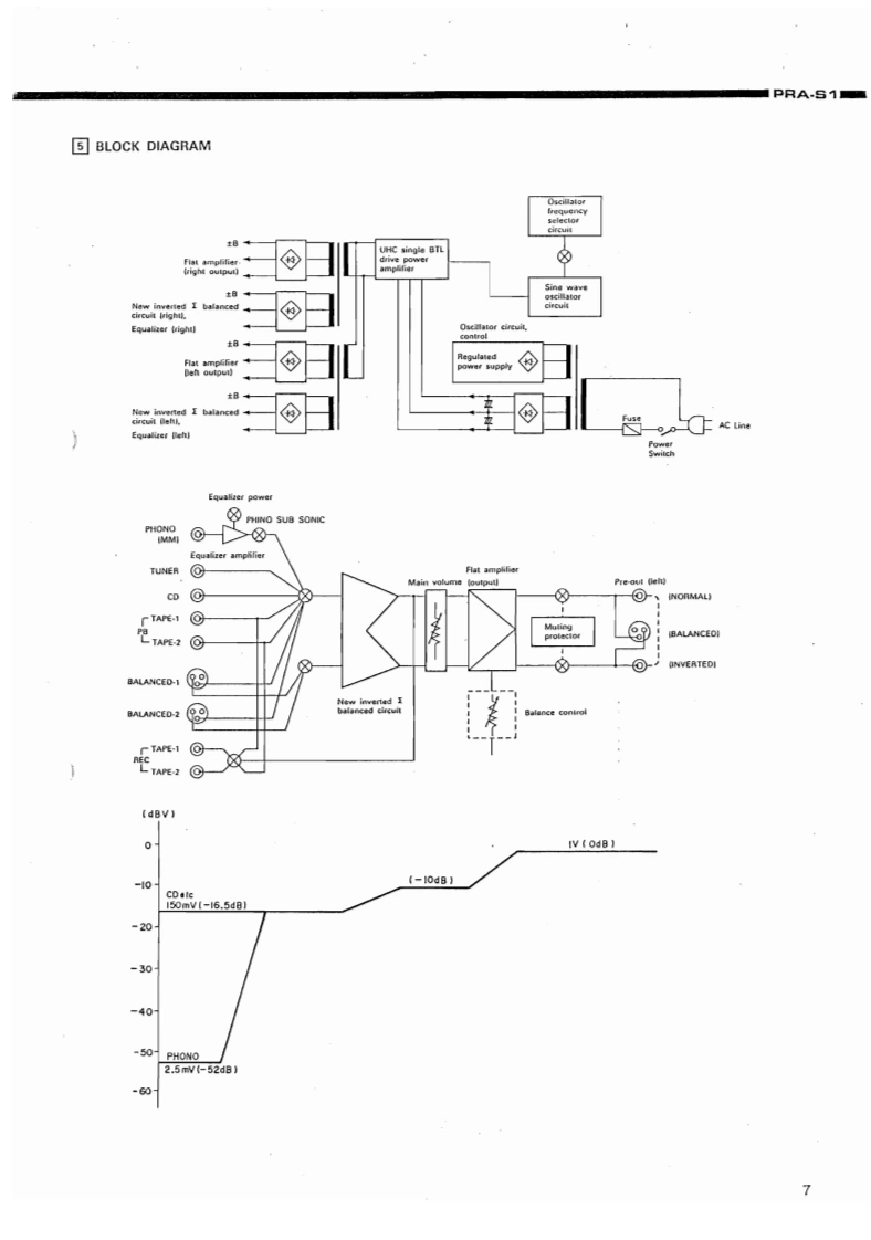
第7页 / 共46页

第8页 / 共46页

第9页 / 共46页

第10页 / 共46页
试读已结束,还剩36页,您可下载完整版后进行离线阅读
THE END
DENONHi-Fi Pre AmplifierSERVICE MANUALMODEL PRA-S1PRE AMPLIFIERCONTROL UNITPOWER UNITCONTENTSOPERATING INSTRUCTIONS ...(INCLUDED BLOCK DIAGRAM,LEVEL DIAGRAM AND SPECIFICATIONS)DISASSEMBLY ...........................................................................9-12ADJUSTMENT…13,14......................................................................15,16PRINTED WIRING BOARD…17-22PARTSLIST OF PRINTED WIRING BOARD ...................................................23-34PARTS LIST OF PACKING ACCESSORIES ......................................................35PARTS LIST OF EXPLODED VIEW (CONTROLUNID ...............................................ExpLopED VIEW (CONTROL UNM..............................................................7EXPLODEDVIEW (POWERUNIT................................................................38PARTS LIST OF EXPLODED VIEW (POWER UNIT)..................................................3CONNECTOR PIN FUNCTION (CONTROL UNIT)....................................................WIRING DIAGRAM (CONTROLUNIT).............................................................WIRING DIAGRAM (POWER UNI).................................................................42CONNECTOR PIN FUNCTION (POWER UNIT)............42SCHEMATICDIAGRAM ...................................................................43-46NIPPON COLUMBIA CO..LTD.
请登录后查看评论内容