

第1页 / 共139页

第2页 / 共139页

第3页 / 共139页

第4页 / 共139页

第5页 / 共139页

第6页 / 共139页

第7页 / 共139页

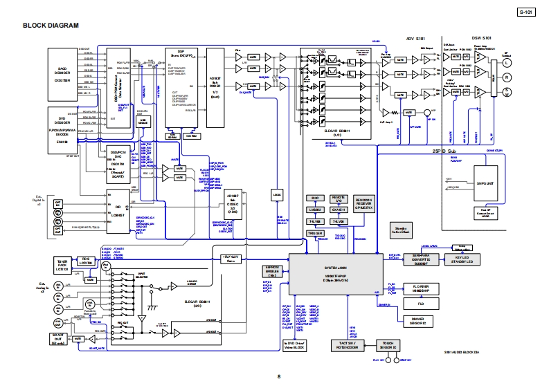
第8页 / 共139页

第9页 / 共139页

第10页 / 共139页
试读已结束,还剩129页,您可下载完整版后进行离线阅读
THE END
DENONFor U.S.A.,CanadaEurope modelVer.1SERVICE MANUALMODEL S-101DVD HOME THEATER SYSTEMHOME THEATER SYSTEM (S-101)consists of DVD SURROUND RECEIVER(ADV-S101)and SUB WOOFER(DSW-S101)and SPEAKER SYSTEM(SC-S101)注意廿一七又苍右乙存)前忙、乙)廿一比又又二1了儿在必寸方蔬〈龙过。本機体、火災、感電、付春忙对寸石安全性在確保寸石左忙、古东芒求存配虚在苏乙本一又右、未左法的忙体「電复用品安全法」无屯上5老、所定)許可卷得(製造达九乙)未寸。徙(圹一上又卷茄乙春際林、乙九5)安全性雜持志九石)、乙)一上又マ二ュ了儿忙記载志九(小石注意事項在必寸守以〈龙苍。For purposes of improvement,specifications and·本機仕横性能改良)龙协、予告在〈变更寸石乙匕design are subject to change without notice.你逝)素。·補修用性能部品)保有期間:、製造打切後8年C寸。.Please use this service manual with referring to the●修理)際体、必寸取极脱明害左参照)上、作業左行)operating instructions without fail.又〈龙这。Some illustrations using in this service manual are●本文中使用L(石亻与又卜仗、脱明)都合上現物slightly different from the actual set.上多少異在石場合扩扬)李李。DENONTOKYO,JAPANDenon Brand Company.D&M Holdings IncX0244V.01 DE/CDM0507
请登录后查看评论内容