

第1页 / 共46页

第2页 / 共46页

第3页 / 共46页

第4页 / 共46页

第5页 / 共46页

第6页 / 共46页

第7页 / 共46页

第8页 / 共46页

第9页 / 共46页

第10页 / 共46页
试读已结束,还剩36页,您可下载完整版后进行离线阅读
THE END
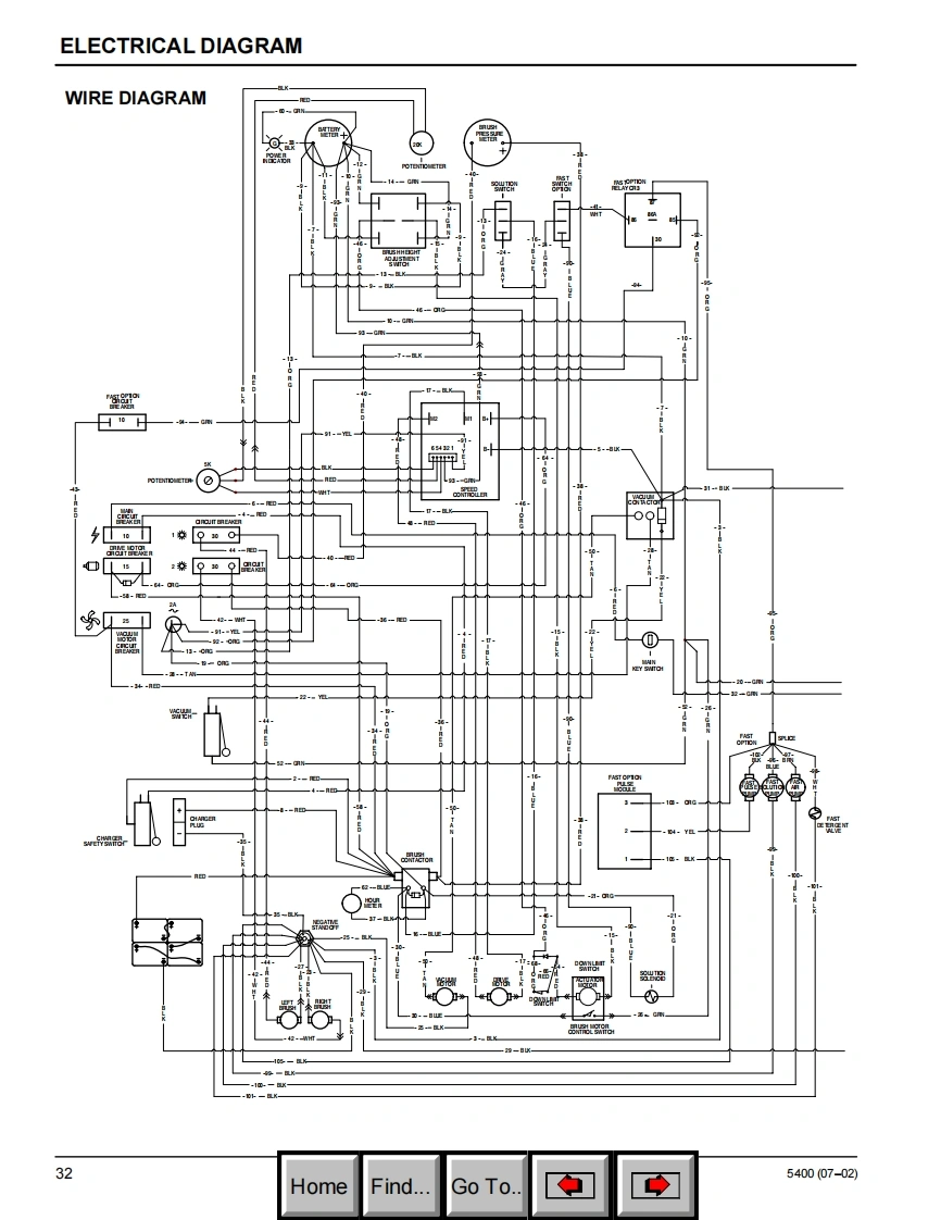
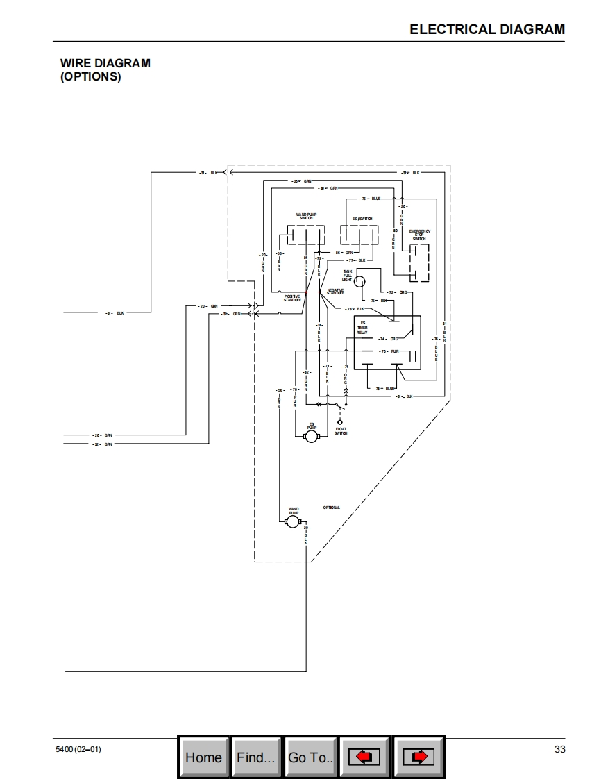
TENNANT5400ScrubberModel No.:Operator and Parts Manual606931-Disk Standard,610mm(24 in)606932-Disk ESTM,610mm(24 in)607525-Disk Wand Prep,610mm(24 in)606933-Disk Deluxe,610mm(24 in)606934-Cylindrical Standard,610mm(24 in)606935-Cylindrical ESTM,610mm (24 in)607526-Cylindrical Wand Prep,610mm(24 in)606936-Cylindrical Deluxe,610mm(24 in)610877-Disk Standard,660mm(26 in)610878-Disk ESTM,660mm (26 in)610879-Disk Wand Prep,660mm(26 in)610880-Disk Deluxe,660mm(26 in)398040-Disk FaSTTM,610mm (24 in)398041-Disk FaSTTM,660mm(26 in)TENNANT写4回▣606862Foam Scrubbing TechnologyRev.05(07-02)Patents PendingHomeFind...Go To
请登录后查看评论内容