

第1页 / 共28页

第2页 / 共28页

第3页 / 共28页

第4页 / 共28页

第5页 / 共28页

第6页 / 共28页

第7页 / 共28页

第8页 / 共28页

第9页 / 共28页

第10页 / 共28页
试读已结束,还剩18页,您可下载完整版后进行离线阅读
THE END
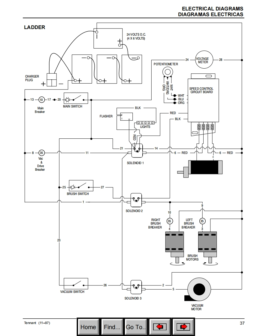
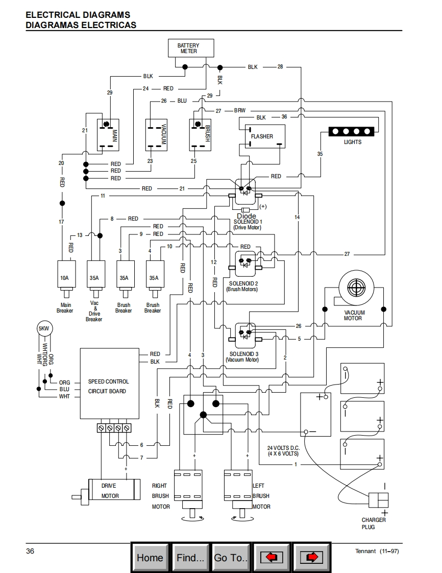
ENGLISH-ESPANOLTENNANT5540/5560Automatic Floor ScrubberFregadora AutomaticaModel:Operator and Parts Manual607506-5540Manual de Operacion y de Piezas607541-5560TENNANT COMPANYCommercial Products12875 RANSOM STREETHOLLAND MI 49424 U.S.A.FAX:1-800-678-4240607508CUSTOMER SERVICE:1-800-982-7658Rev.02(06-01)HomeFind...Go To
请登录后查看评论内容