ADVANCE-Advance_Pacesetter-Floor-Machine_Rev-713_Parts说明书手册含电器原理图

ADVANCE-Advance_Pacesetter-Floor-Machine_Rev-713_Parts说明书手册含电器原理图-找手册网
ADVANCE-Advance_Pacesetter-Floor-Machine_Rev-713_Parts说明书手册含电器原理图
此内容为付费资源,请付费后查看
1923
立即购买
您当前未登录!建议登陆后购买,可保存购买订单
付费资源

第1页 / 共8页

第2页 / 共8页

第3页 / 共8页

第4页 / 共8页

第5页 / 共8页

第6页 / 共8页

第7页 / 共8页

第8页 / 共8页
已完成全部阅读,共8
THE END
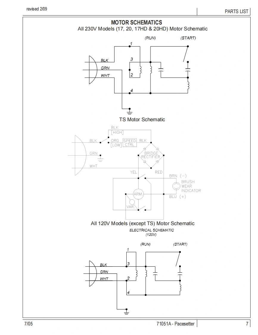
Pacesetter 13,17,20PacesetterT 17HD,20HDPacesetterT 20TS,20SDPARTS LISTModels::01282A(13),01290A(17),01290C(17),01290M(17),01370A(20),01370C(20)01330A(17HD),01330C(17HD),01410A(20HD),01410C(20HD,01440A(20TS),01460A(20SD)56383336(17HD),56383337(20HD)This parts list is for machines after serial number HBAdvance7/05 revised 7/13 FORM NO.71051A
喜欢就支持一下吧
评论 抢沙发

请登录后发表评论

    请登录后查看评论内容