ADVANCE-Aquamaticselectric10-01ce说明书手册含电器原理图

ADVANCE-Aquamaticselectric10-01ce说明书手册含电器原理图-找手册网
ADVANCE-Aquamaticselectric10-01ce说明书手册含电器原理图
此内容为付费资源,请付费后查看
1923
立即购买
您当前未登录!建议登陆后购买,可保存购买订单
付费资源

第1页 / 共22页

第2页 / 共22页

第3页 / 共22页

第4页 / 共22页

第5页 / 共22页

第6页 / 共22页

第7页 / 共22页

第8页 / 共22页

第9页 / 共22页

第10页 / 共22页
试读已结束,还剩12页,您可下载完整版后进行离线阅读
THE END
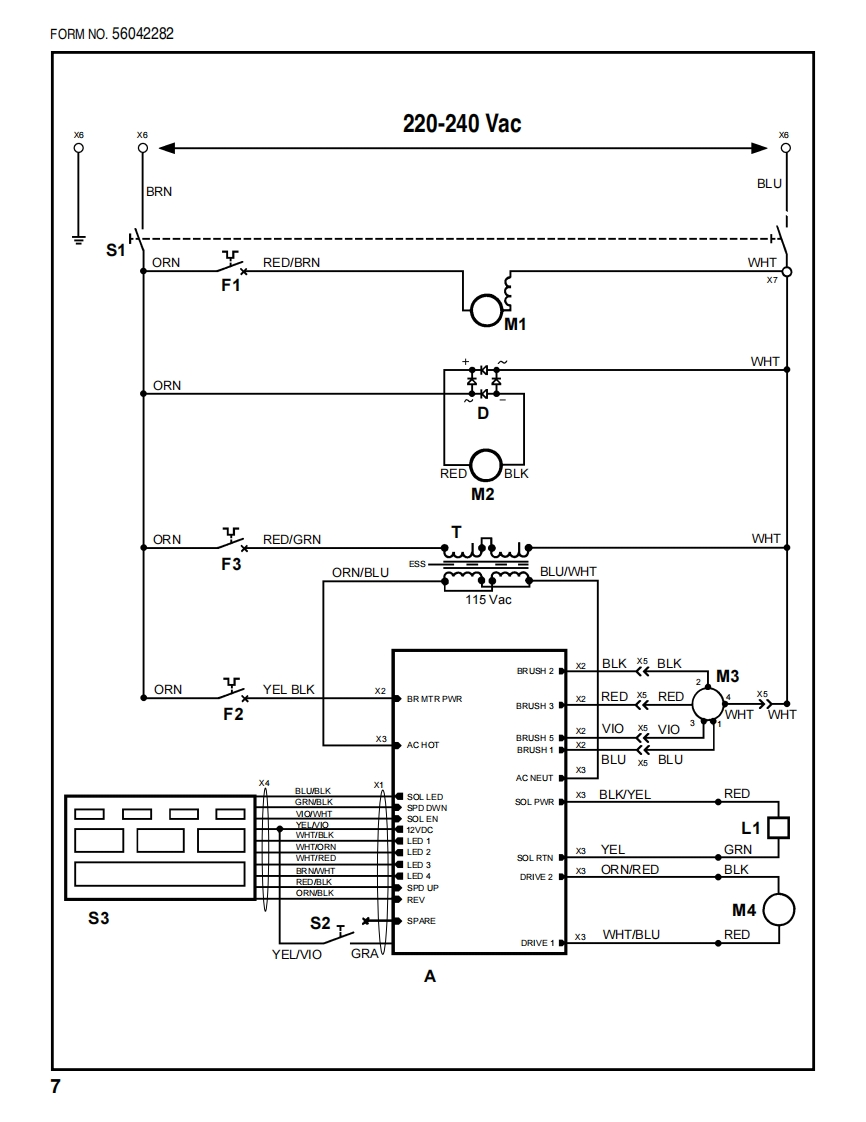
Aquamatic SelectricTPARTS LISTAdvance MODEL 56263907(220-240Vac)This Parts List is for Machines After Serial No.0577937NilfiskAdvance11/93 revised10/01F0RMN0.56042282setting standards
喜欢就支持一下吧
评论 抢沙发

请登录后发表评论

    请登录后查看评论内容