ADVANCE-AquaMaxAX650说明书手册含电器原理图

ADVANCE-AquaMaxAX650说明书手册含电器原理图-找手册网
ADVANCE-AquaMaxAX650说明书手册含电器原理图
此内容为付费资源,请付费后查看
1923
立即购买
您当前未登录!建议登陆后购买,可保存购买订单
付费资源

第1页 / 共21页

第2页 / 共21页

第3页 / 共21页

第4页 / 共21页

第5页 / 共21页

第6页 / 共21页

第7页 / 共21页

第8页 / 共21页

第9页 / 共21页

第10页 / 共21页
试读已结束,还剩11页,您可下载完整版后进行离线阅读
THE END
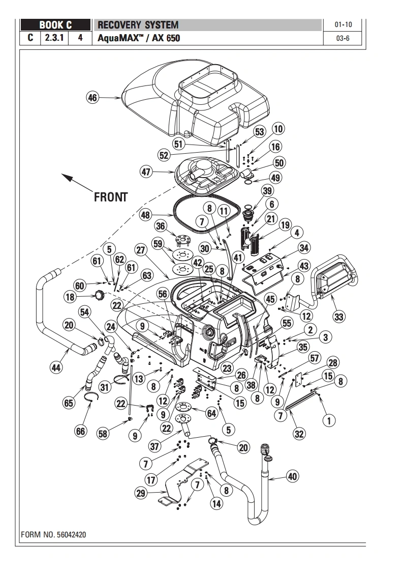
AquaMAXTMAX650PARTS LISTAdvance MODEL 56212000Nilfisk MODEL 56212260NilfiskAdvance10/01 revised6/03F0RMN0.56042420setting standardsBOOK C SECTION 2.3.1
喜欢就支持一下吧
评论 抢沙发

请登录后发表评论

    请登录后查看评论内容