

第1页 / 共43页

第2页 / 共43页

第3页 / 共43页

第4页 / 共43页

第5页 / 共43页

第6页 / 共43页

第7页 / 共43页

第8页 / 共43页

第9页 / 共43页

第10页 / 共43页
试读已结束,还剩33页,您可下载完整版后进行离线阅读
THE END
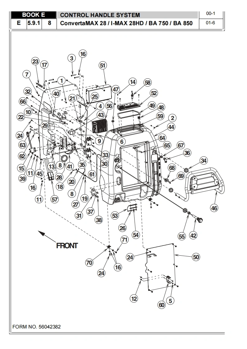
ConvertaMAX 28I-MAXT 28HDBA750/BA850PARTS LISTAdvance M0DELS56396000,56396001Nilfisk MODELS 56396002,56396003All models covered in this manual are OBSOLETE.ConvertaMAX 28 before SN1593241 /I-MAX 28HD before SN1593243BA 750 before SN1594388/BA 850 before SN1594392NilfiskAdvance1/00 revised 9/02 FORM NO.56042382setting standardsBOOK E SECTION 5.9.1
请登录后查看评论内容