

第1页 / 共68页

第2页 / 共68页

第3页 / 共68页

第4页 / 共68页

第5页 / 共68页

第6页 / 共68页

第7页 / 共68页

第8页 / 共68页

第9页 / 共68页

第10页 / 共68页
试读已结束,还剩58页,您可下载完整版后进行离线阅读
THE END
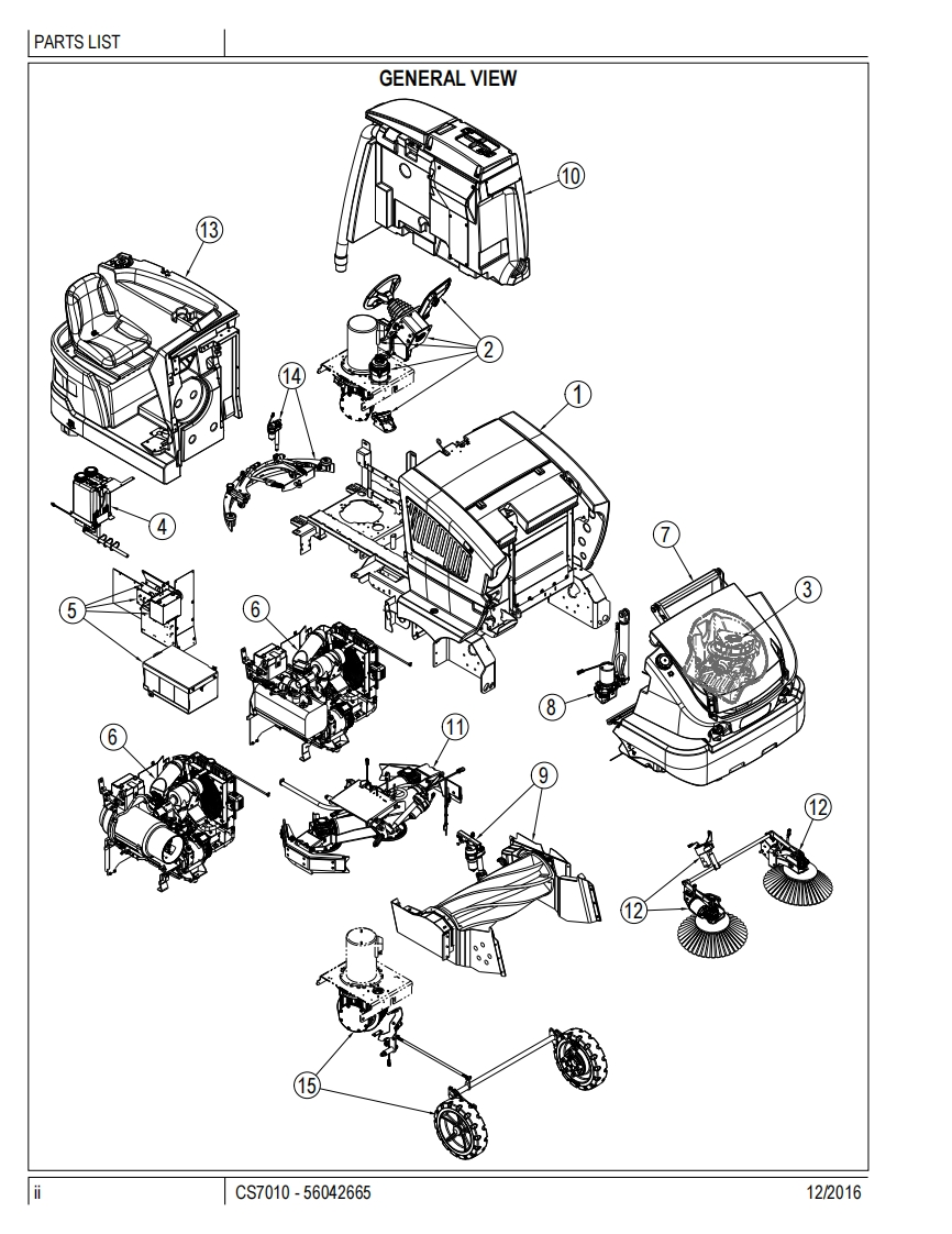
CS7010Parts List12/2016REVAForm no.56042665世δModels:56511710(48 LPG Hybrid),56511711(48 LPG Hybrid EcoFlex)56511712(48 Diesel Hybrid),56511713(48 Battery),56511810(48 Diesel Hybrid EcoFlex),56511811(48 Battery EcoFlex),56511812(48 Fuel Cell EcoFlex),56511813(48 Gasoline Hybrid EcoFlex),56511814(48 Gasoline Hybrid),56511819(48 Fuel Cell)③Advanceby Nilfisk
请登录后查看评论内容