哈曼卡顿Harman-Kardon-A-310-维修手册

哈曼卡顿Harman-Kardon-A-310-维修手册-找手册网
哈曼卡顿Harman-Kardon-A-310-维修手册
此内容为付费资源,请付费后查看
1921
付费资源

第1页 / 共4页

第2页 / 共4页

第3页 / 共4页

第4页 / 共4页
已完成全部阅读,共4
THE END
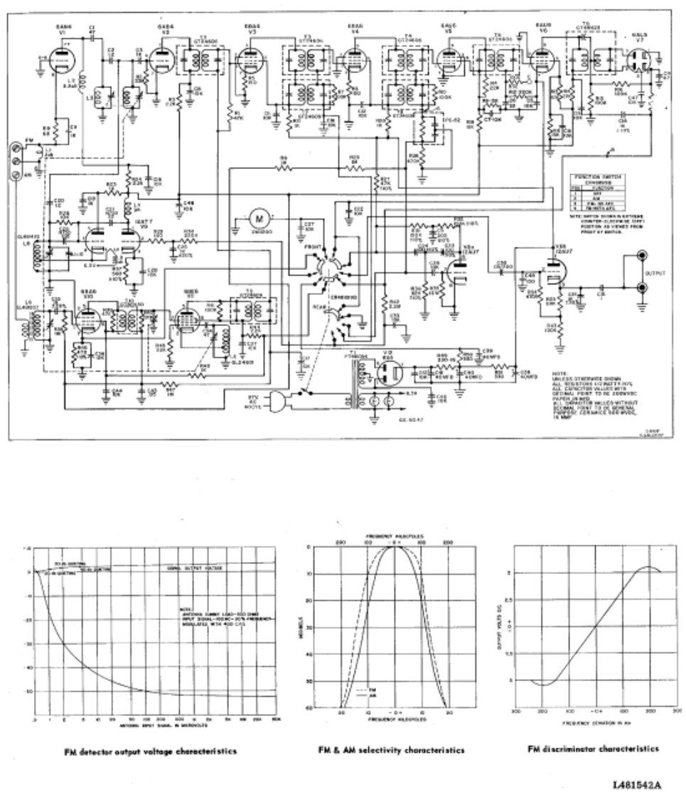
harmankardonMODEL A-310S屁9Ame-HIGH FIDELITY AM.FM TUNEROPERATION AND SE R V I C E INST R U C TIONSUNPACKINGsingle wire,as long as it is reasonably practical,located away from large metal objects,power linesAfter unpacking the Theme,inspeet it carefully foror electrical machinery.Connect one end to the AMany signs of damage in transit,Your unit was sub.terminal of the ANTENNA terminal strip on the rearjected to many inspections and tests.and then care-of the chassis,fully packed.If any damage is visible,notify thetransportation company at once.PM ANTENNACheck the contents of the package carefully.Due to the extremely high FM sensitivity of theYou should fin走1 Tuner,Model A-310Theme,the 48 inch wire furnished will be sufficlentanterna for all but the most difficult locations.One1 Instruction Bookletend of the wire should be connected to the FM termi-1 Antenna wire,hanked1 Shielded Output Cablenal of the ANTENNA terminal strip,the other end1 Warranty Cardbeing leftfree and extended as may be conventent.In remote locations,a standard roof-top dipole andsuitable twin lead in wire may be used,connected be-It is strongly urged that the warranty card be com-tween the FM and G terminals.pleted and mailed without delay,to protect your rightsunder the warranty.I you should require repair ser-vice or information on the use of the Theme,we willPOWERbe able to identify your unit immediately,and respondquickly.Plug the power cord into any outlet furnishing 117volts,60 cyeles house current.The exact voltage isCONNECTIONSrelatively unimportant,and may vary between 105and 125.Be sure,however,that you have 60 cyeleAM ANTENNAAC power.For many installations,such as with theTrend,Model C300 Amplifier,it will be more con-The Harman-Kardon ceramic loopstick,built intovenient,from an operational point of view,to plugthe Theme,comprises all the antenna required for thethe power cord of the Theme into the conveniencefinest in noise-free local AM reception.In locationsoutlets provided on the amplifier chassis.The tunermore removed from metropolitan areas,an outdoorwill then be turned on or off by the amplifier powerantenna may be required.This should consist of aswitch.HARMAN KARDON,INC.520 MAIN STREET,WESTBURY,L.I.,N.Y.
喜欢就支持一下吧
评论 抢沙发

请登录后发表评论

    请登录后查看评论内容