

第1页 / 共68页

第2页 / 共68页

第3页 / 共68页

第4页 / 共68页

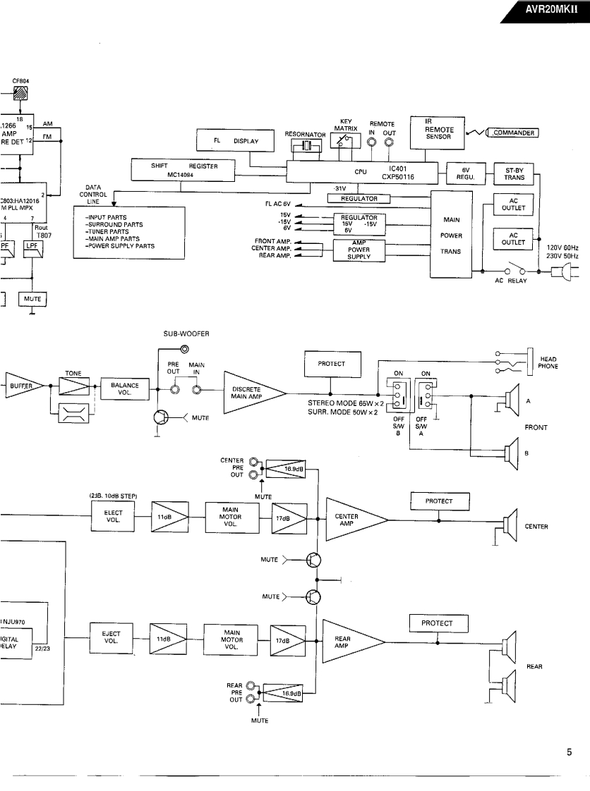
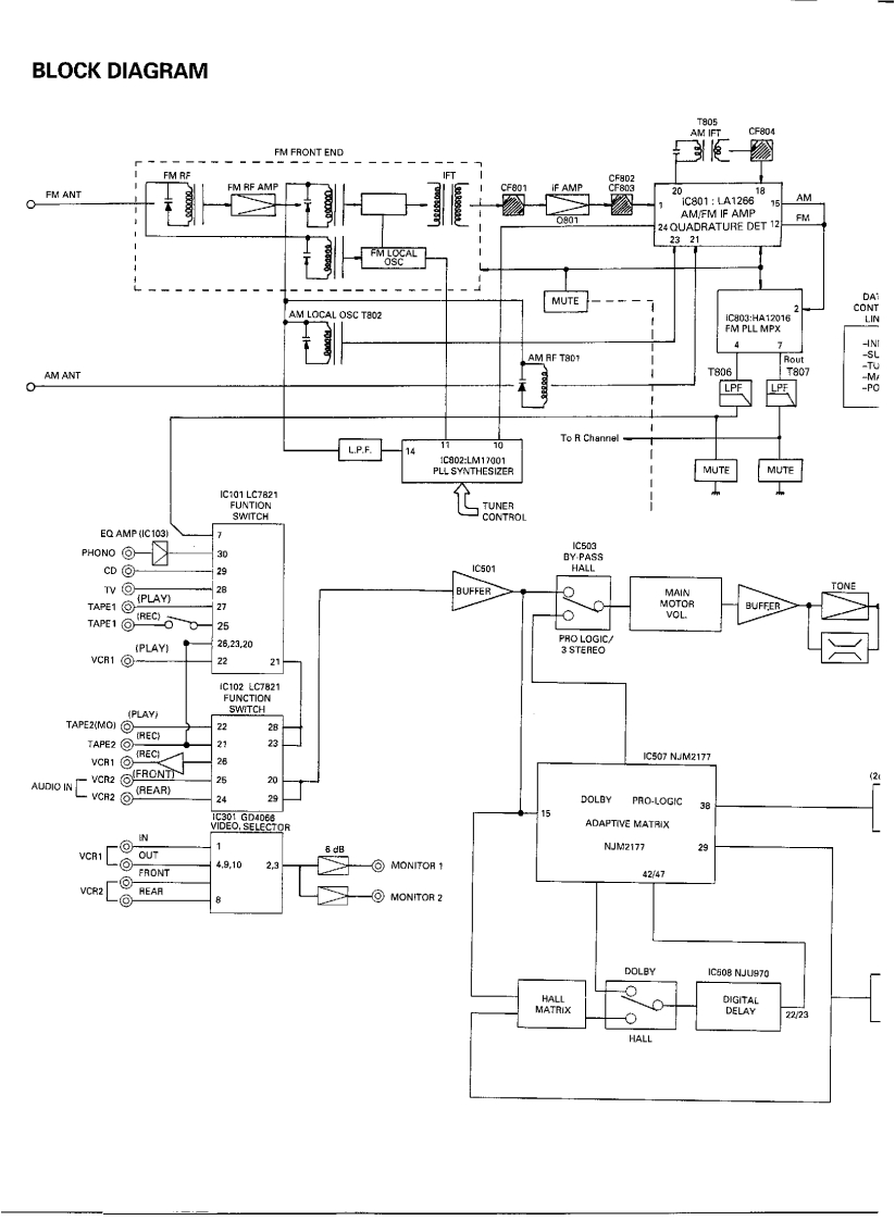
第5页 / 共68页

第6页 / 共68页

第7页 / 共68页

第8页 / 共68页

第9页 / 共68页

第10页 / 共68页
试读已结束,还剩58页,您可下载完整版后进行离线阅读
THE END
The Harman KardonModel AVR20MKIIAUDIO AND VIDEO RECEIVERTechnical Manualharman/kardon R 201①①①⊙⑧a⊙0⊙R9n:西阳日兰89⊙⊙⊙■CONTENTS■SPECIFICATIONS…2GENERAL UNIT……21LEAKAGE TEST4+4PRINTED CIRCUIT BOARDS…22BLOCK DIAGRAM…5ELECTRICAL PARTS LIST....23CONTROLS AND FUNCTIONS.................6IC FUNCTIONAL BLOCK DIAGRAM+4028DISASSEMBLY PROCEDURES..............VIRING DIAGRAM…33CIRCUIT DESCRIPTION..........9SCHEMATIC DIAGRAMS (I)...................34ALIGNMENT PROCEDURES...........14SCHEMATIC DIAGRAMS (II)…35TROUBLESHOOTING…17SCHEMATIC DIAGRAMS (III)..36GENERAL UNIT PARTS LIST ..................20SCHEMATIC DIAGRAMS (IV)..37harman/kardonParts and Service Office80 Crossways Park West,Woodbury.N.Y.117971112-AVR20MKII G9604 1200 Printed in Korea
请登录后查看评论内容