

第1页 / 共65页

第2页 / 共65页

第3页 / 共65页

第4页 / 共65页

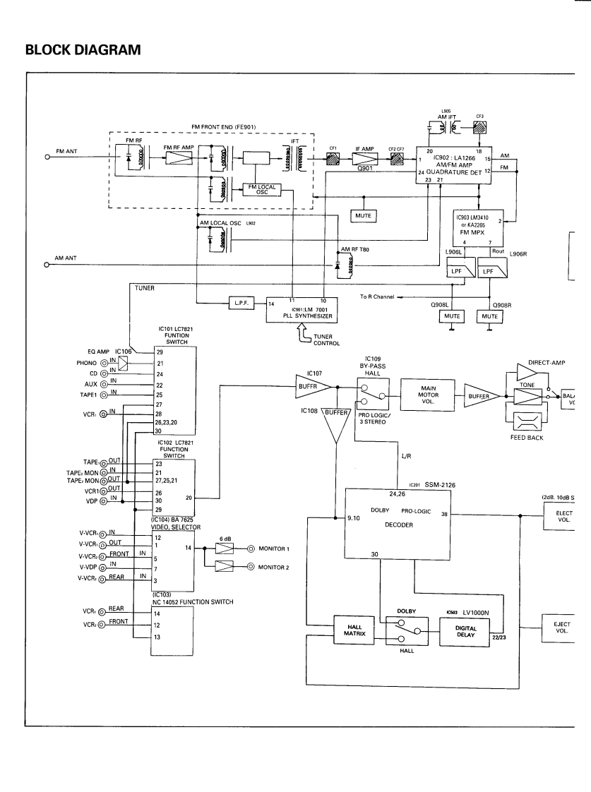
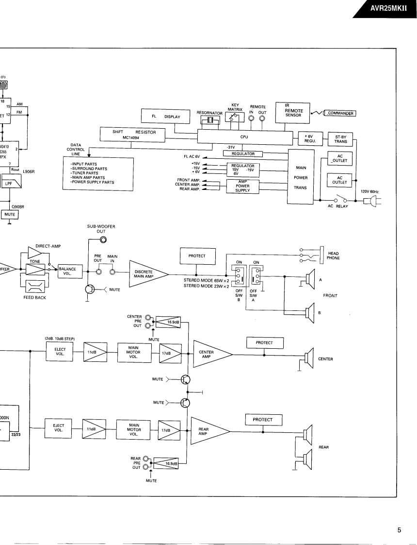
第5页 / 共65页

第6页 / 共65页

第7页 / 共65页

第8页 / 共65页

第9页 / 共65页

第10页 / 共65页
试读已结束,还剩55页,您可下载完整版后进行离线阅读
THE END
The Harman KardonModel AVR25MKIIAUDIO AND VIDEO RECEIVERTechnical Manualh,aman/kardon A饿slVume①①①三且:88888至88Eo0ono00OCONTENTSSPECIFICATIONS…2GENERAL UNIT…23LEAKAGE TEST…4PRINTED CIRCUIT BOARDSt…24BLOCK DIAGRAM…5ELECTRICAL PARTS LIST..........26CONTROLS AND FUNCTIONS+6IC FUNCTIONAL BLOCK DIAGRAM44444…31DISASSEMBLY PROCEDURES.......8WIRING DIAGRAM.…37CIRCUIT DESCRIPTION................................10SCHEMATIC DIAGRAM (I)38ALIGNMENT PROCEDURES.........16SCHEMATIC DIAGRAM(I)⑩…39TROUBLESHOOTING…19SCHEMATIC DIAGRAM (III).................40GENERAL UNIT PARTS LIST...........22SCHEMATIC DIAGRAM (IV)..................41harman/kardonParts and Service Office80 Crossways Park West.Woodbury.N.Y.117971112-AVR25MKII G9604 1200 Printed in Korea
请登录后查看评论内容