

第1页 / 共78页

第2页 / 共78页

第3页 / 共78页

第4页 / 共78页

第5页 / 共78页

第6页 / 共78页

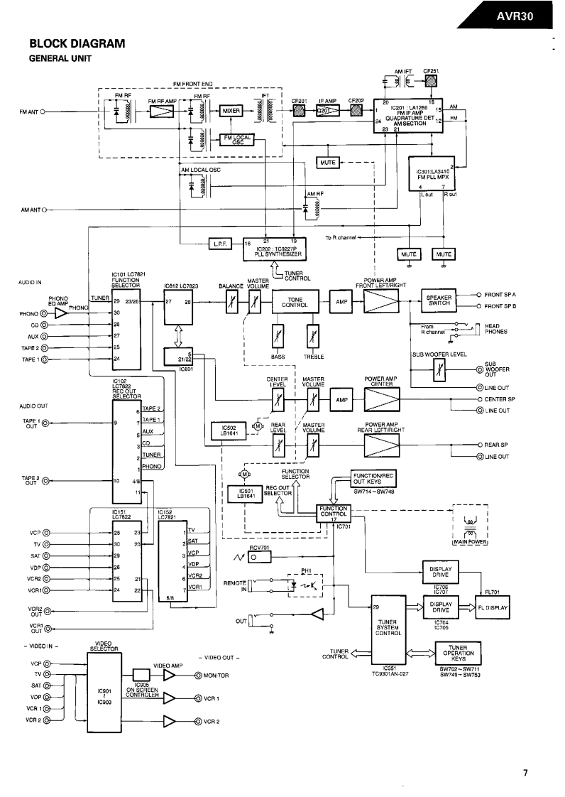
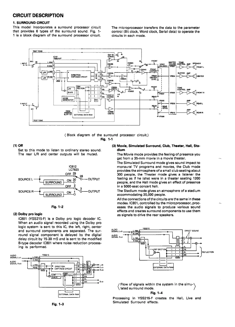
第7页 / 共78页

第8页 / 共78页

第9页 / 共78页

第10页 / 共78页
试读已结束,还剩68页,您可下载完整版后进行离线阅读
THE END
The Harman KardonModel AVR30Manual18阳BAUDIO AND VIDEO RECEIVERTechnical Manualharman kardon4aR边“8888.:-This manual is to be applied to the North America area model Black versionwith serial number S235-05761 and above,and Asia,Singapore and interna-tional models.The following marks found in the parts list of this manualidentify the models as follows.North America area model Black versionAsia model Black versionB:Singapore model Black versionIBInternational model Black versionCONTENTSSPECIFICATIONS..BLOCK DIAGRAM.......................PRECAUTIONS..GENERAL UNIT PARTS LIST...................8LEAKAGETEST3GENERAL UNIT.8POWER CORD REPLACEMENT......3P.C.BOARDSDISASSEMBLY PROCEDURES........10ELECTRICAL PARTS LIST15CONTROLS AND FUNCTIONS................5IC BLOCK DIAGRAMS............................31ALIGNMENT PROCEDURES...........6SCHEMATIC DIAGRAMS......36CIRCUIT DESCRIPTION.......6WIRING DIAGRAM..4.8harman/kardonParts and Serwce Office240 Crossways Park West.Woodbury.N.Y.117971112-0330B152 G9402 1500 Printed in Japan
请登录后查看评论内容