哈曼卡顿Harman-Kardon-AVR-3000-RDS-维修手册

哈曼卡顿Harman-Kardon-AVR-3000-RDS-维修手册-找手册网
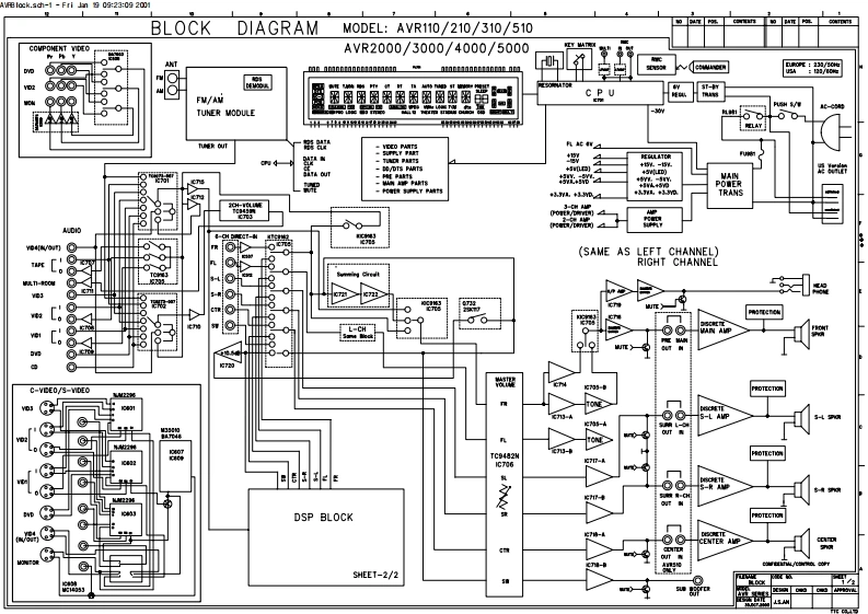
哈曼卡顿Harman-Kardon-AVR-3000-RDS-维修手册
此内容为付费资源,请付费后查看
1921
付费资源

第1页 / 共75页

第2页 / 共75页

第3页 / 共75页

第4页 / 共75页

第5页 / 共75页

第6页 / 共75页

第7页 / 共75页

第8页 / 共75页

第9页 / 共75页

第10页 / 共75页
试读已结束,还剩65页,您可下载完整版后进行离线阅读
THE END
AVR3000RDSAudio/Video ReceiverDD,DTS,HDCD,MP3PRELIMINARYSERVICE-TECHNICAL MANUAL雷兽目地-思目目宽南南新司点点Harman International SNC-Harman Consumer International 2,route de Tours 72500 Chateau du Loir
喜欢就支持一下吧
评论 抢沙发

请登录后发表评论

    请登录后查看评论内容