哈曼卡顿Harman-Kardon-CA-140-Q-维修手册

哈曼卡顿Harman-Kardon-CA-140-Q-维修手册-找手册网
哈曼卡顿Harman-Kardon-CA-140-Q-维修手册
此内容为付费资源,请付费后查看
1921
付费资源

第1页 / 共10页

第2页 / 共10页

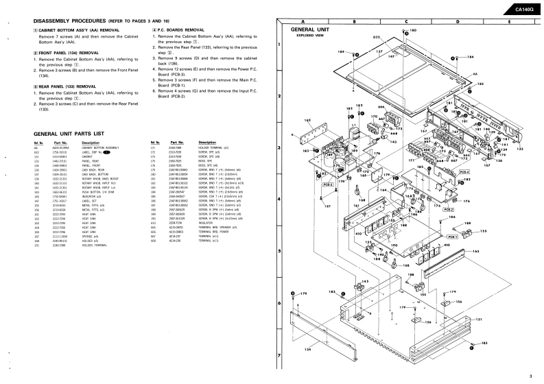
第3页 / 共10页

第4页 / 共10页

第5页 / 共10页

第6页 / 共10页

第7页 / 共10页

第8页 / 共10页

第9页 / 共10页

第10页 / 共10页
已完成全部阅读,共10
THE END
The Harman KardonModel CA140QManual 175AHIGH FIDELITY CAR AMPLIFIERTechnical Manual中的The following marks found in the parts list of this manual identifythe models as follows.UA:North America area modelInternational modelCA1400NJapan modelharman/kardonParts and Service Office240 Crossways Park West,Woodbury,N.Y.117971112-3152175A8P-0791061200 Printed in Japan
喜欢就支持一下吧
评论 抢沙发

请登录后发表评论

    请登录后查看评论内容