哈曼卡顿Harman-Kardon-CA-240-维修手册

哈曼卡顿Harman-Kardon-CA-240-维修手册-找手册网
哈曼卡顿Harman-Kardon-CA-240-维修手册
此内容为付费资源,请付费后查看
1921
付费资源

第1页 / 共15页

第2页 / 共15页

第3页 / 共15页

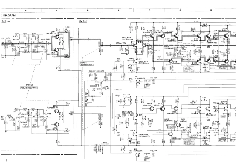
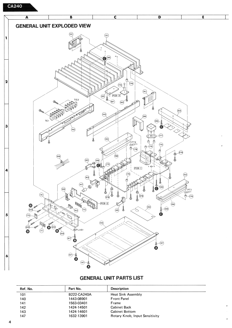
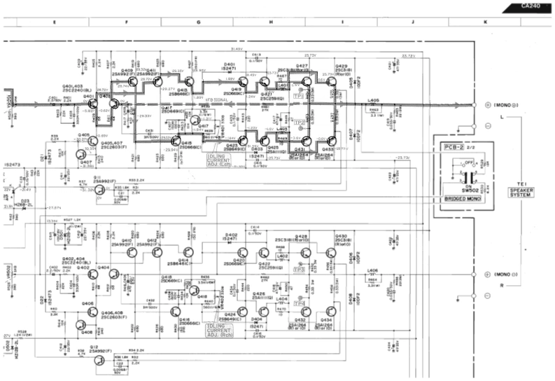
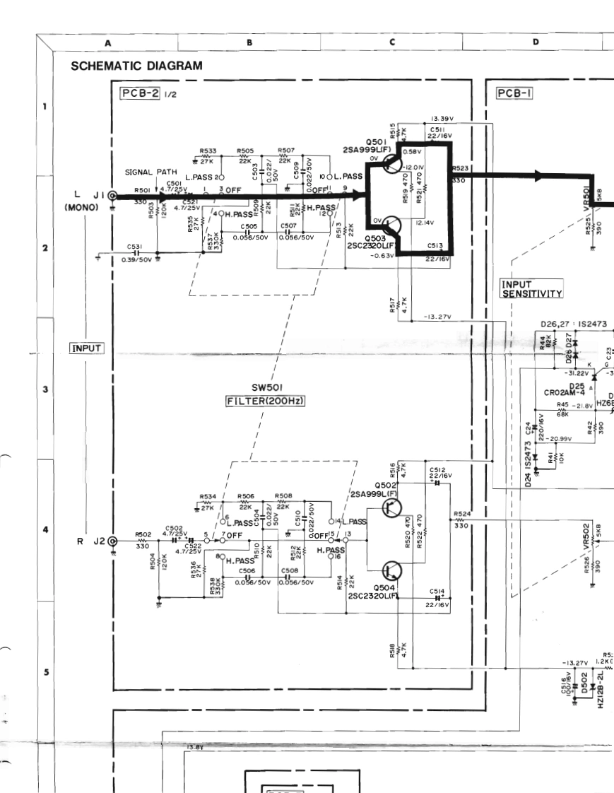
第4页 / 共15页

第5页 / 共15页

第6页 / 共15页

第7页 / 共15页

第8页 / 共15页

第9页 / 共15页

第10页 / 共15页
试读已结束,还剩5页,您可下载完整版后进行离线阅读
THE END
The Harman KardonModel CA240Manual 82AHIGH FIDELITY CAR AMPLIFIERTechnical Manualharman kardon CA240harman/kardon240 Crossways Park West,Woodbury.N,Y,117971112-H15282A6 P-088501 1850 Printed in Japan
喜欢就支持一下吧
评论 抢沙发

请登录后发表评论

    请登录后查看评论内容