哈曼卡顿Harman-Kardon-Citation-12-Deluxe-维修手册

哈曼卡顿Harman-Kardon-Citation-12-Deluxe-维修手册-找手册网
哈曼卡顿Harman-Kardon-Citation-12-Deluxe-维修手册
此内容为付费资源,请付费后查看
1921
付费资源

第1页 / 共9页

第2页 / 共9页

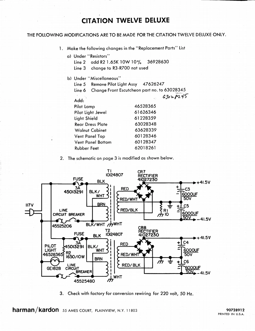
第3页 / 共9页

第4页 / 共9页

第5页 / 共9页

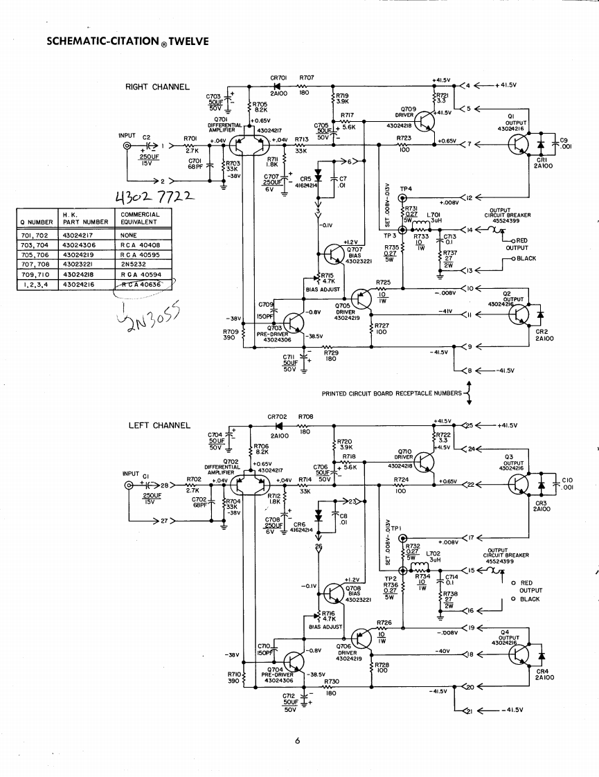
第6页 / 共9页

第7页 / 共9页

第8页 / 共9页

第9页 / 共9页
已完成全部阅读,共9
THE END
The Citation Twelve/Citation Twelve DeluxeProfessional 120 Watt StereophonicBasic Power AmplifierTechnical Manualharman/kardon
喜欢就支持一下吧
评论 抢沙发

请登录后发表评论

    请登录后查看评论内容