哈曼卡顿Harman-Kardon-Citation_17-S-维修手册

哈曼卡顿Harman-Kardon-Citation_17-S-维修手册-找手册网
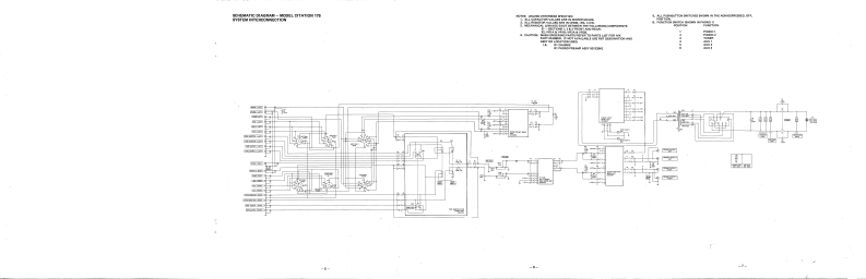
哈曼卡顿Harman-Kardon-Citation_17-S-维修手册
此内容为付费资源,请付费后查看
1921
付费资源

第1页 / 共18页

第2页 / 共18页

第3页 / 共18页

第4页 / 共18页

第5页 / 共18页

第6页 / 共18页

第7页 / 共18页

第8页 / 共18页

第9页 / 共18页

第10页 / 共18页
试读已结束,还剩8页,您可下载完整版后进行离线阅读
THE END
EHie NRson/The Citation Seventeen SProfessional Solid StateStereophonic PreamplifierTechnical ManualCitation Seventeen SWARNINGThese technical instructions are for use by qualified servicepersonnel only.To avoid electric shock,do not perform anyservicing other than that contained in the operating instruc-tions unless qualified to do so.harman/kardon
喜欢就支持一下吧
评论 抢沙发

请登录后发表评论

    请登录后查看评论内容