

第1页 / 共20页

第2页 / 共20页

第3页 / 共20页

第4页 / 共20页

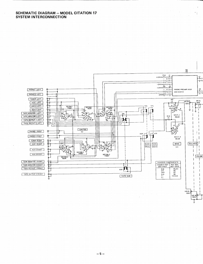
第5页 / 共20页

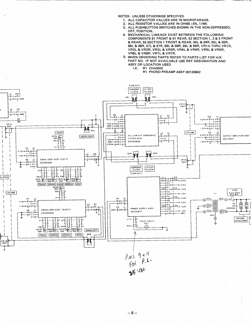
第6页 / 共20页

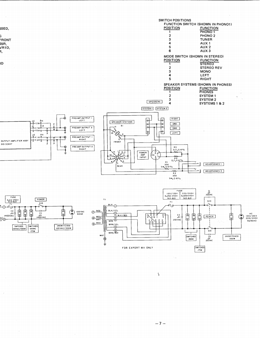
第7页 / 共20页

第8页 / 共20页

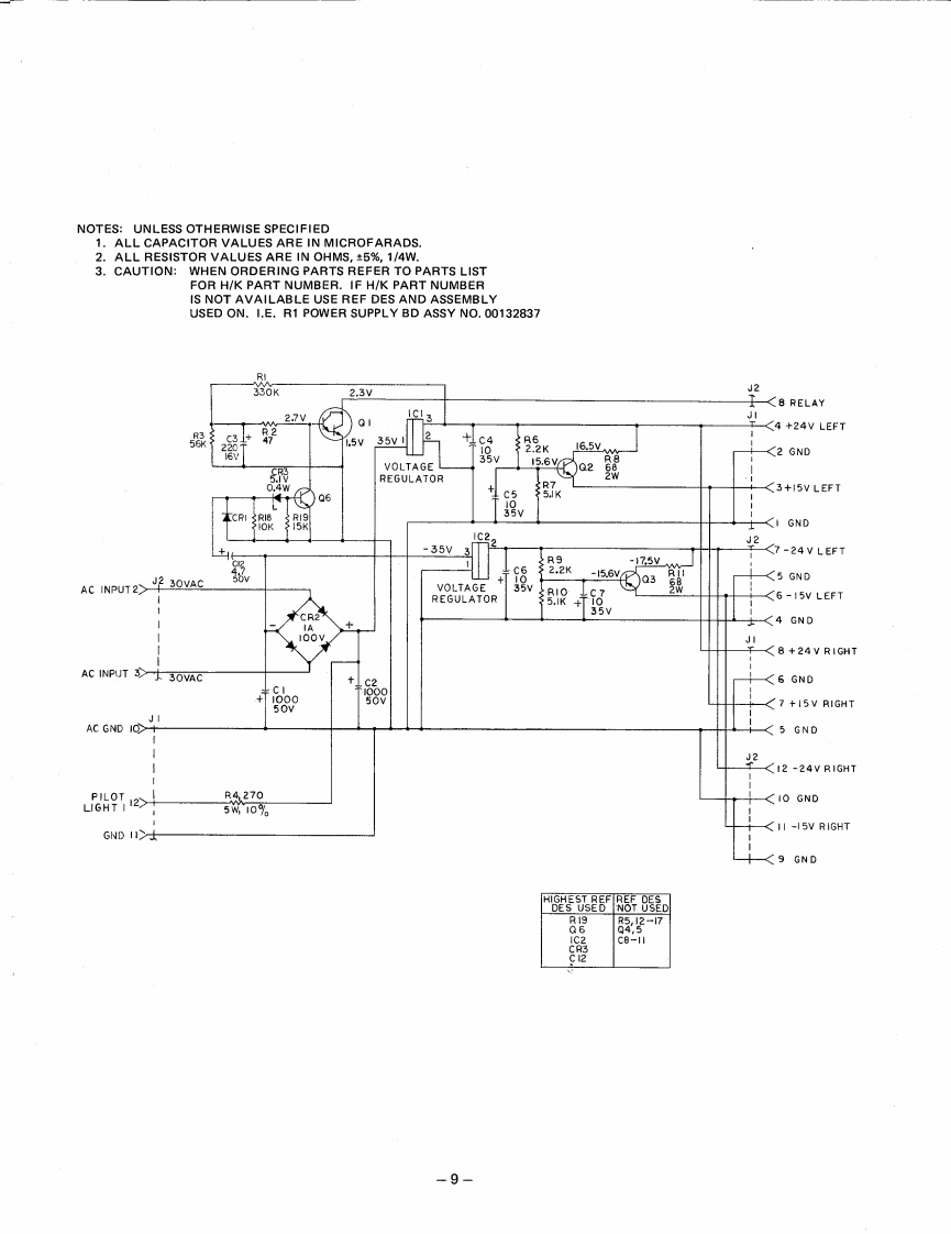
第9页 / 共20页

第10页 / 共20页
试读已结束,还剩10页,您可下载完整版后进行离线阅读
THE END
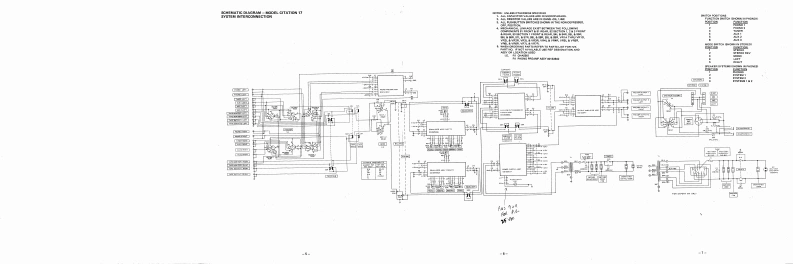
xie NsoThe Citation SeventeenProfessional Solid StateStereophonic Preamplifier/Audio EqualizerTechnical ManualGtaton Seventeharman kardonWARNINGThese technical instructions are for use by qualified servicepersonnel only.To avoid electric shock,do not perform anyservicing other than that contained in the operating instruc-tions unless qualified to do so.harman/kardon
请登录后查看评论内容