哈曼卡顿Harman-Kardon-Citation_23-维修手册

哈曼卡顿Harman-Kardon-Citation_23-维修手册-找手册网
哈曼卡顿Harman-Kardon-Citation_23-维修手册
此内容为付费资源,请付费后查看
1921
付费资源

第1页 / 共17页

第2页 / 共17页

第3页 / 共17页

第4页 / 共17页

第5页 / 共17页

第6页 / 共17页

第7页 / 共17页

第8页 / 共17页

第9页 / 共17页

第10页 / 共17页
试读已结束,还剩7页,您可下载完整版后进行离线阅读
THE END
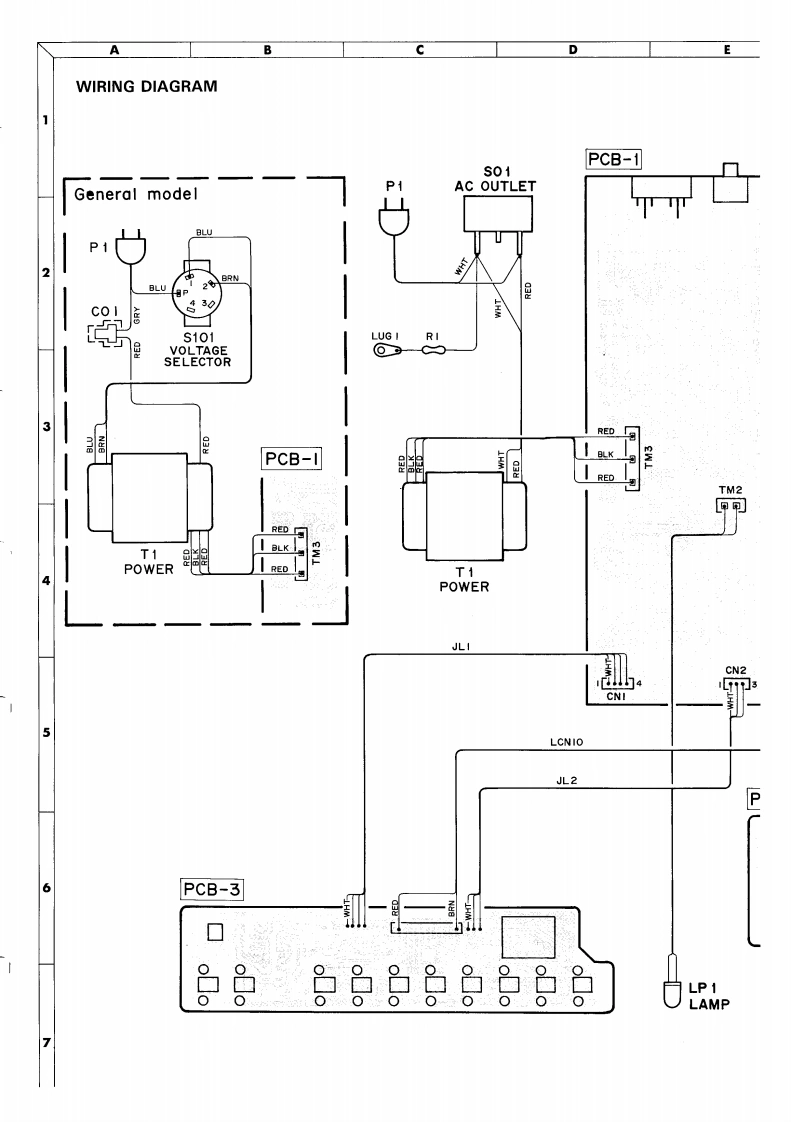
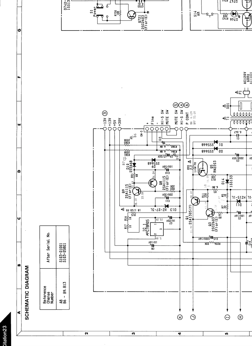
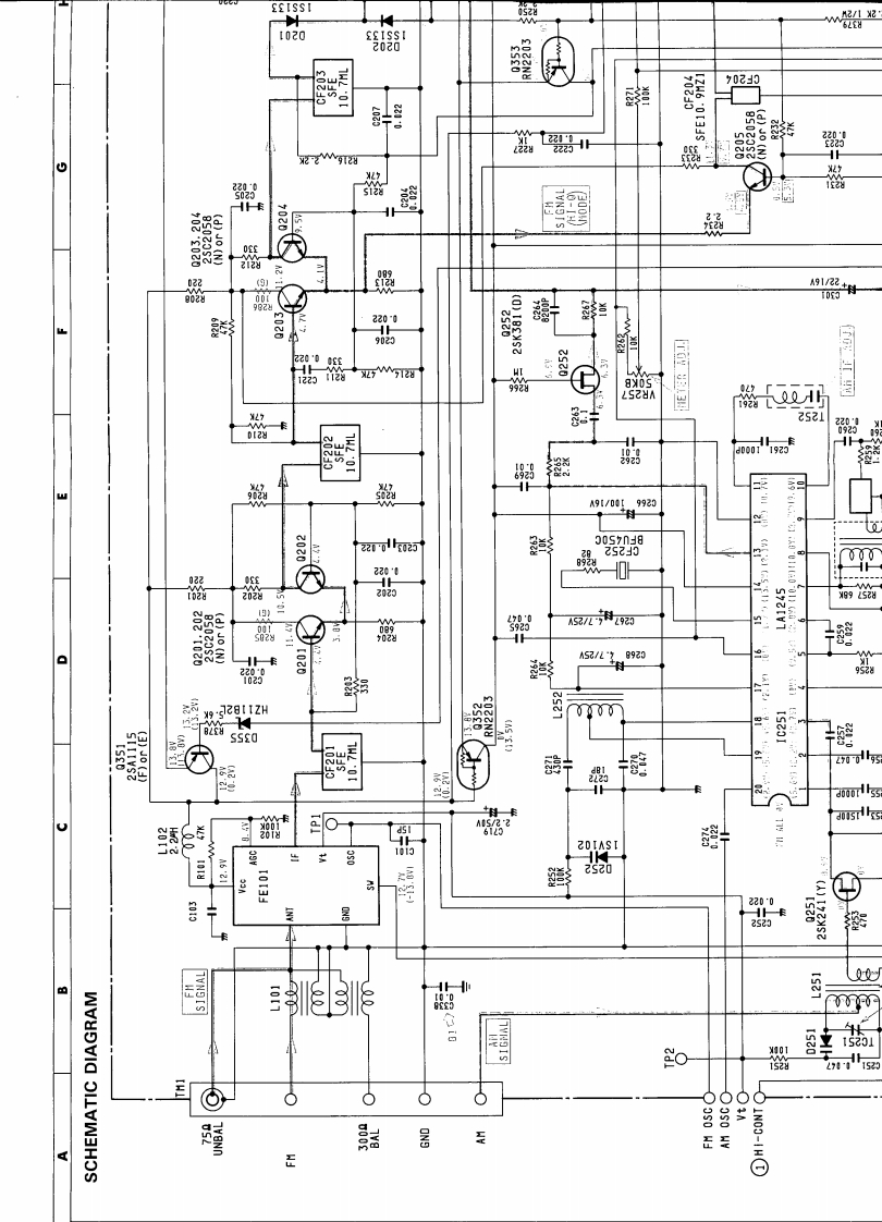
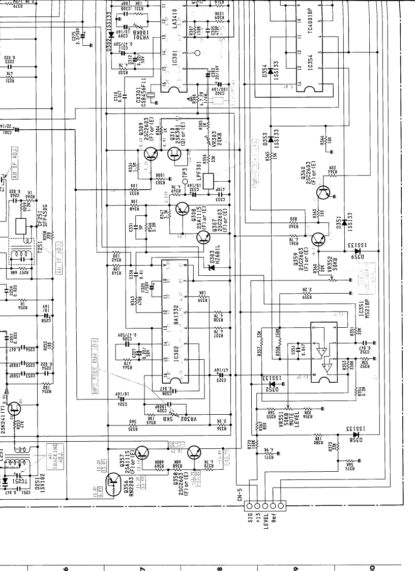
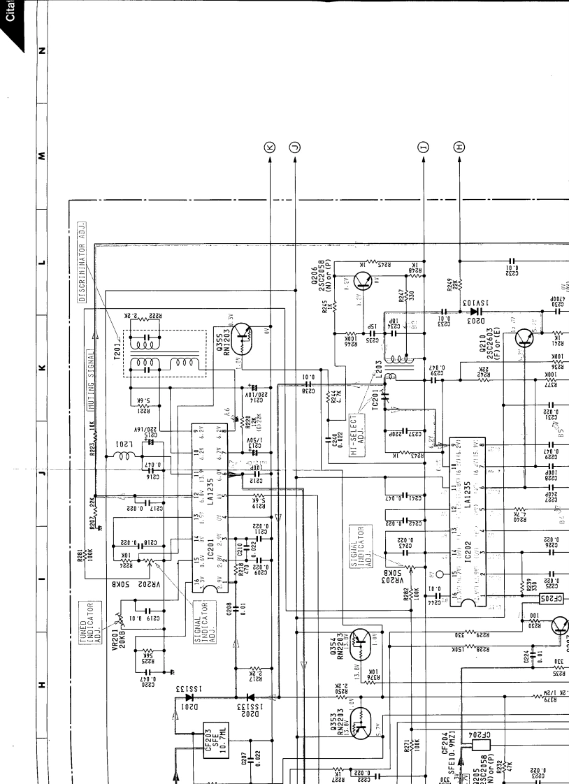
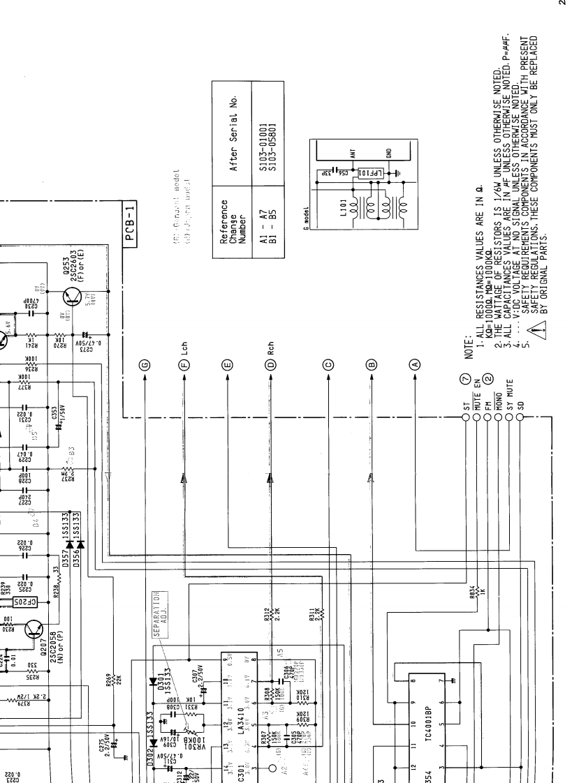
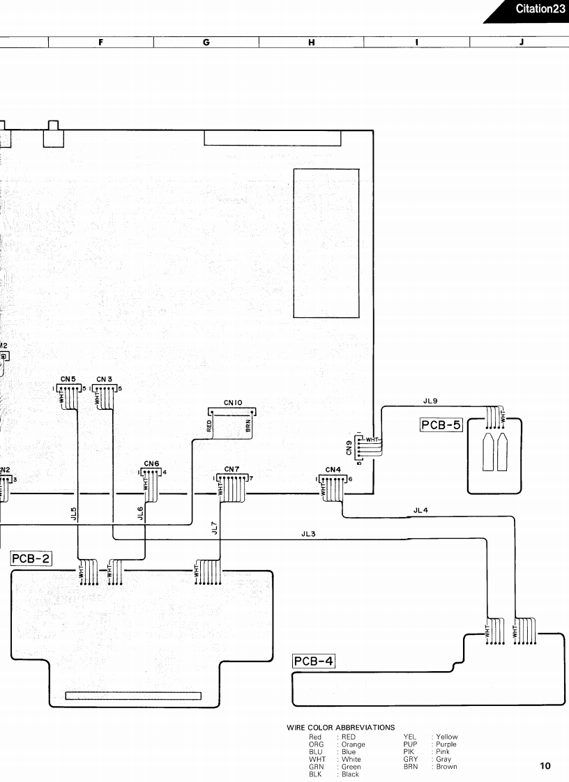
The Harman KardonModel Citation 23Manual 114BDIGITAL SYNTHESIZED QUARTZ-LOCK TUNERTechnical Manual带好诺总88SUPPLEMENTARY MANUAL 1MODIFICATIONS WERE MADE AT SERIAL NUMBER S103-01001,S103-05801 AND S103-06251 TOIMPROVE PERFORMANCE.EXCEPT FOR THE CHANGES AS NOTED IN THIS SUPPLEMENT,REFERTO MANUAL 114A FOR ALL OTHER PARTS AND SERVICE INFORMATION.The following marks found in the parts list of this manual identifythe models as follows.North America area modelGeneral modelJapan modelharman/kardon240 Crossways Park West,Woodbury.N.Y.117971112-3152114B8P-0890101500 Printed in Japan
喜欢就支持一下吧
评论 抢沙发

请登录后发表评论

    请登录后查看评论内容