哈曼卡顿Harman-Kardon-EQ-7-维修手册

哈曼卡顿Harman-Kardon-EQ-7-维修手册-找手册网
哈曼卡顿Harman-Kardon-EQ-7-维修手册
此内容为付费资源,请付费后查看
1921
付费资源

第1页 / 共22页

第2页 / 共22页

第3页 / 共22页

第4页 / 共22页

第5页 / 共22页

第6页 / 共22页

第7页 / 共22页

第8页 / 共22页

第9页 / 共22页

第10页 / 共22页
试读已结束,还剩12页,您可下载完整版后进行离线阅读
THE END
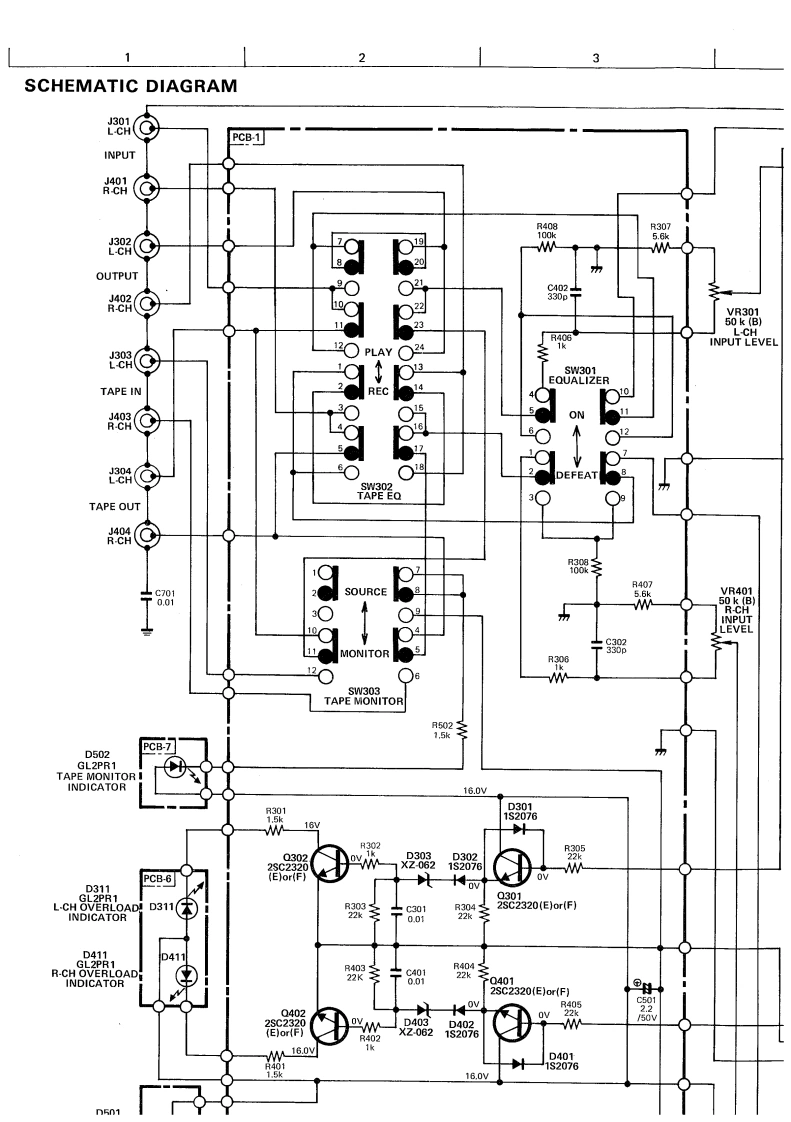
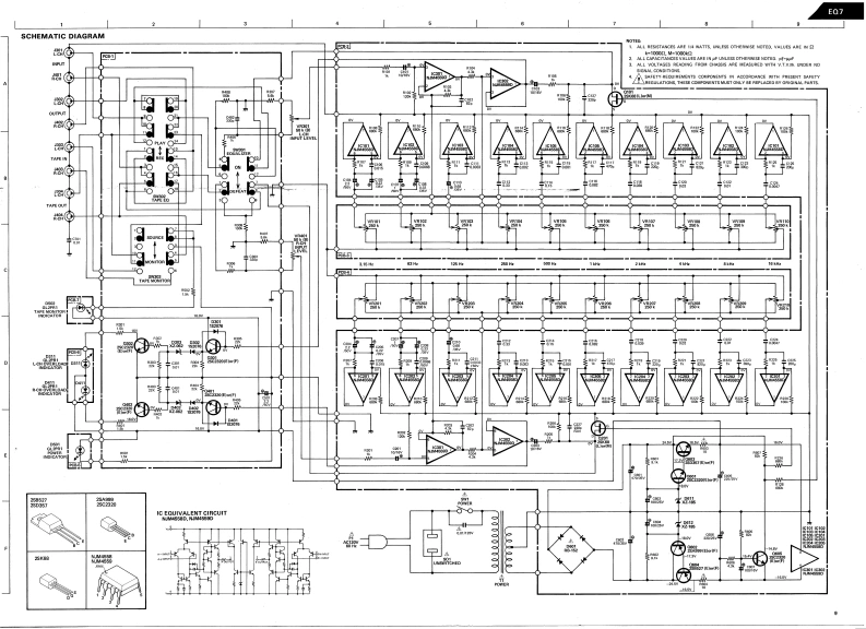
The Harman KardonModel EQ7Manual No.23AGRAPHIC EQUALIZERTechnical ManualEQ7harman/kardon240 CROSSWAYS PARK WEST,WOODBURY.N.Y.11797PRINTED IN JAPAN 1112-H15223A9p.07819
喜欢就支持一下吧
评论 抢沙发

请登录后发表评论

    请登录后查看评论内容