哈曼卡顿Harman-Kardon-Festival-1-维修手册

哈曼卡顿Harman-Kardon-Festival-1-维修手册-找手册网
哈曼卡顿Harman-Kardon-Festival-1-维修手册
此内容为付费资源,请付费后查看
1921
付费资源

第1页 / 共23页

第2页 / 共23页

第3页 / 共23页

第4页 / 共23页

第5页 / 共23页

第6页 / 共23页

第7页 / 共23页

第8页 / 共23页

第9页 / 共23页

第10页 / 共23页
试读已结束,还剩13页,您可下载完整版后进行离线阅读
THE END
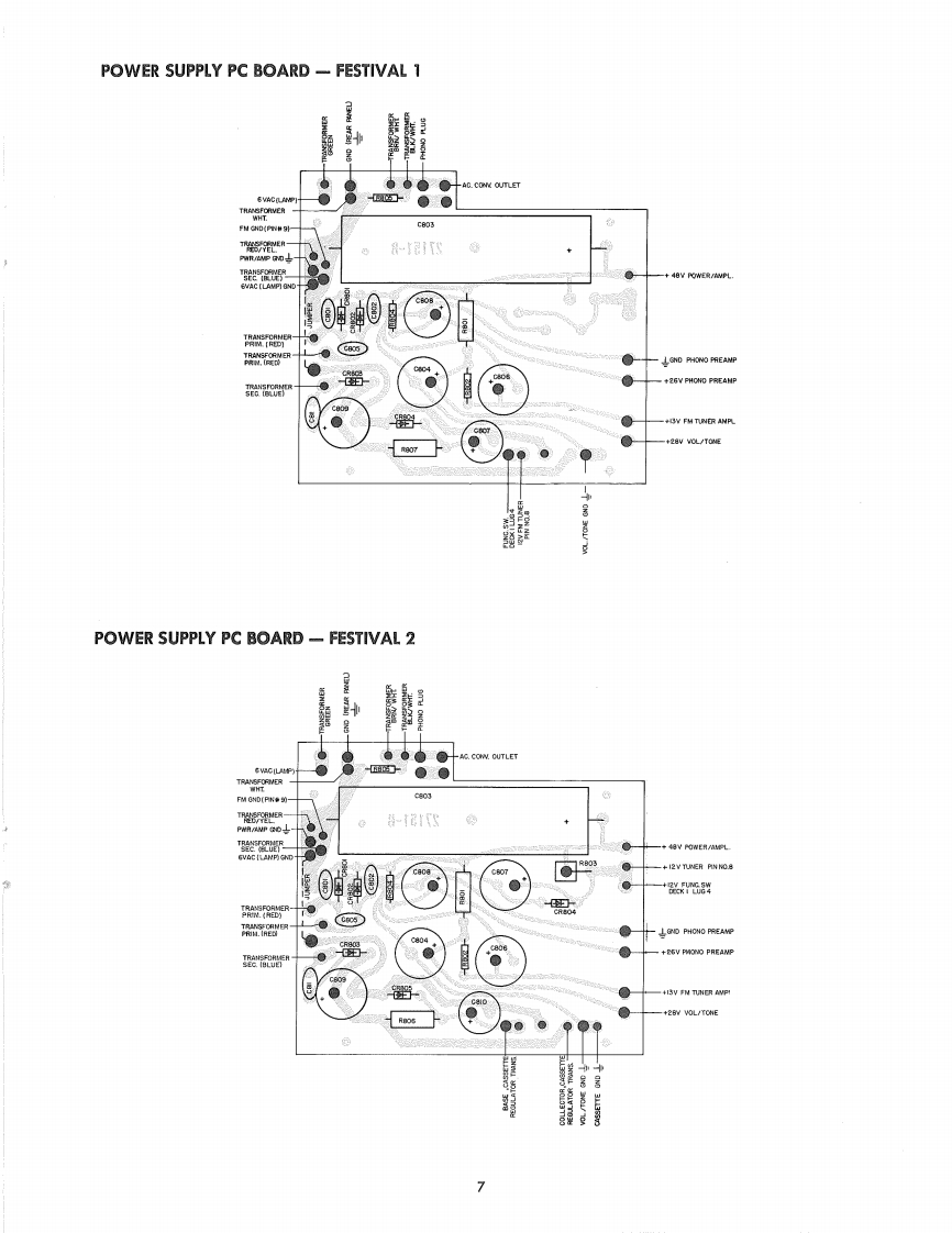
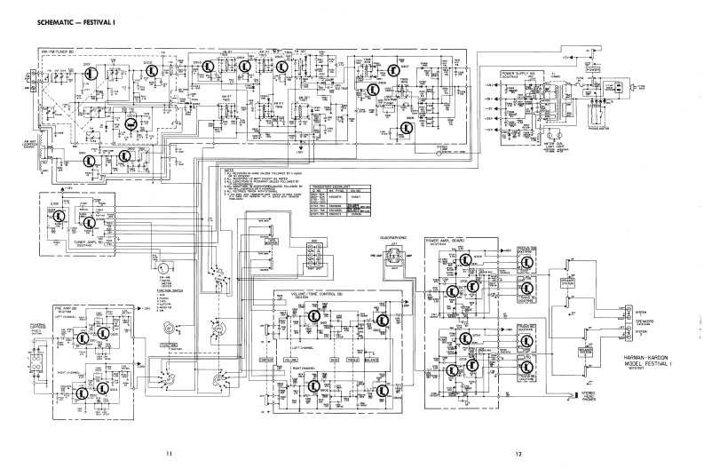
Technical ManualThe Harman-KardonFestival 1AM-FM Stereo Control CenterThe Harman-KardonFestival 2AM-FM Stereo Control Centerwith Cassette Recorderharmankardon90727206
喜欢就支持一下吧
评论 抢沙发

请登录后发表评论

    请登录后查看评论内容