

第1页 / 共68页

第2页 / 共68页

第3页 / 共68页

第4页 / 共68页

第5页 / 共68页

第6页 / 共68页

第7页 / 共68页

第8页 / 共68页

第9页 / 共68页

第10页 / 共68页
试读已结束,还剩58页,您可下载完整版后进行离线阅读
THE END
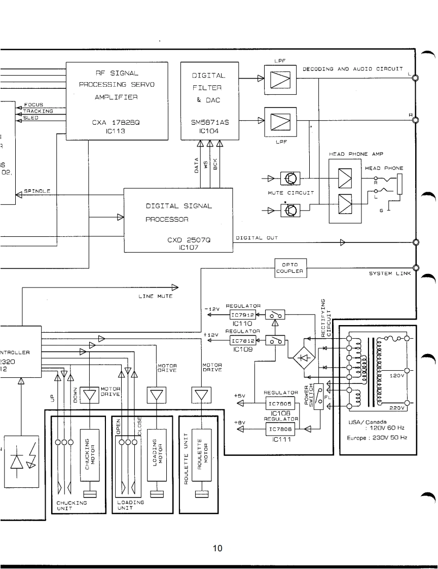
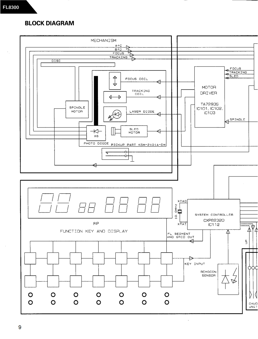
harman/kardonMode FL83005 Disc Compact Disc ChangerSERVICE MANUALharman kardon F30國用CONTENTSLASER BEAM SAFETY PRECAUTIONS..............2TECH TIPTIP#HKTT2003-02...........................26OTHER PRECAUTIONS.......................3TROUBLESHOOTING............................27LEAKAGE TEST4PRINTED CIRCUIT BOARDS........34SPECIFICATONS.5GENERAL UNIT EXPLODED VIEW I,ll ..............37CONTROL AND FUNCTIONS.7GENERAL UNIT PARTS LIST........................40BLOCK DIAGRAM.......9ELECTRICAL PARTS LIST................41PICKUP REPLACEMENT........................11SEMICONDUCTOR IDENTIFICATION.................44CIRCUIT DESCRIPTION.................13PACKAGE.52BULLETIN#9604.…22SCHEMATIC DIAGRAM...53BU儿LETIN#9607…23WIRING DIAGRAM.61BU儿LETIN#9703.….24hamman/kardon,Inc.250 Crossways Park Dr.Woodbury,New York 11797Rev13/2003
请登录后查看评论内容