

第1页 / 共72页

第2页 / 共72页

第3页 / 共72页

第4页 / 共72页

第5页 / 共72页

第6页 / 共72页

第7页 / 共72页

第8页 / 共72页

第9页 / 共72页

第10页 / 共72页
试读已结束,还剩62页,您可下载完整版后进行离线阅读
THE END
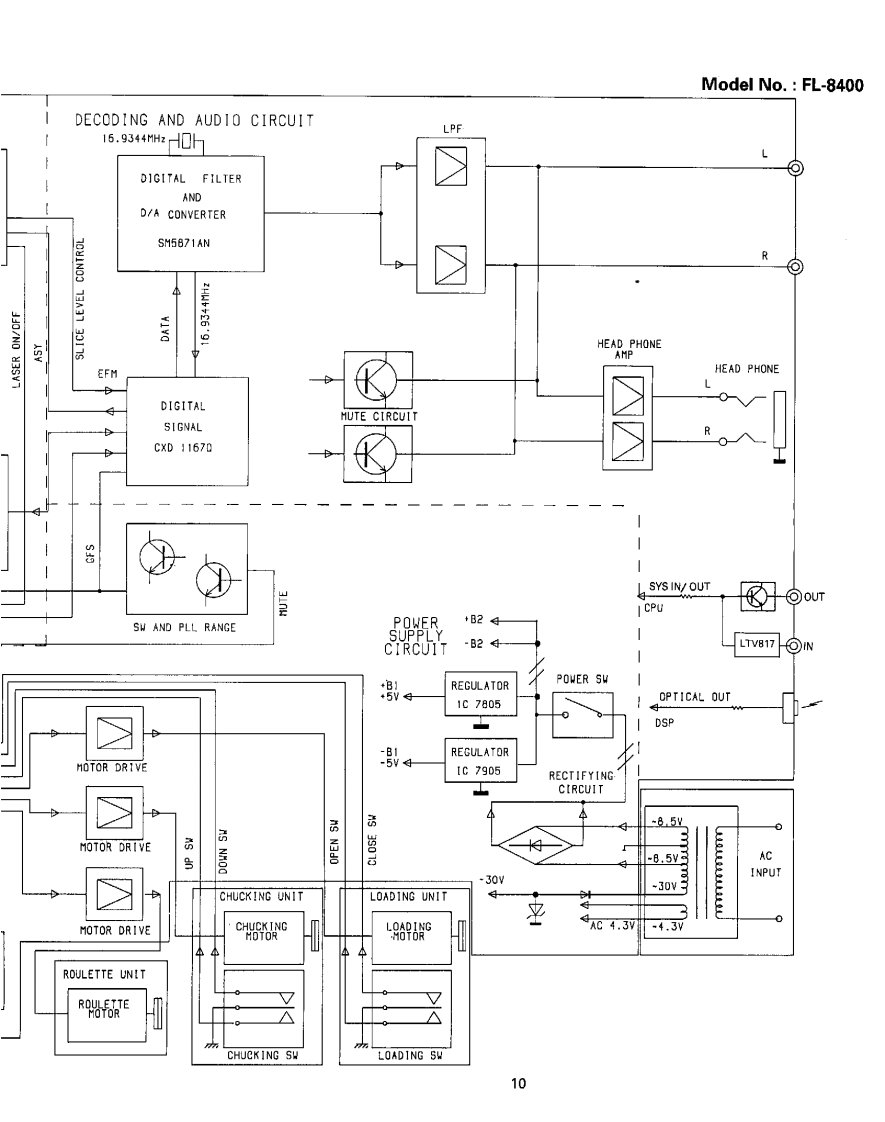
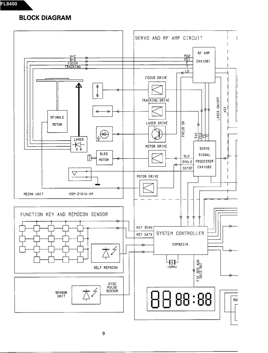
The Harman KardonModel FL8400Manual ACOMPACT DISC CHANGERTechnical Manualharman/kardon FL8400 c.......06666CONTENTS■LASER BEAM SAFETY PRECAUTIONS4…2TROUBLESHOOTING……25BEFORE REPAIRING THE COMPACT DISCPRINTED CIRCUIT BOARDS..............34PLAYER4*4*…3GENERAL UNIT EXPLODED VIEW ............37LEAKAGE TEST…4GENERAL UNIT PARTS LIST4…44SPECIFICATIONS…5ELECTRICAL PARTS LIST................46CONTROL AND FUNCTIONS.....................IC FUNCTIONAL BLOCK DIAGRAM…50BLOCK DIAGRAM...............PACKAGE…56DISASSEMBLY INSTRUCTIONS.............11WIRING DIAGRAM…57PICKUP REPLACEMENT.........13SCHEMATIC DIAGRAM........…58CIRCUIT DESCRIPTION.................15TRANSISTOR AND DIODE LEADALIGNMENT AND ADJUSTMENT ..........21IDENTIFICATION…59DANGER:Invisible laser radiation when open and interlock failed or defeated.AVOID DIRECT EXPOSURE TO BEAM.harman/kardonParts and Service Office80 Crossways Park West,Woodbury,N.Y.117971112-FL8400A P9501 1500 Printed in Korea
请登录后查看评论内容