哈曼卡顿Harman-Kardon-HD-730-维修手册

哈曼卡顿Harman-Kardon-HD-730-维修手册-找手册网
哈曼卡顿Harman-Kardon-HD-730-维修手册
此内容为付费资源,请付费后查看
1921
付费资源

第1页 / 共59页

第2页 / 共59页

第3页 / 共59页

第4页 / 共59页

第5页 / 共59页

第6页 / 共59页

第7页 / 共59页

第8页 / 共59页

第9页 / 共59页

第10页 / 共59页
试读已结束,还剩49页,您可下载完整版后进行离线阅读
THE END
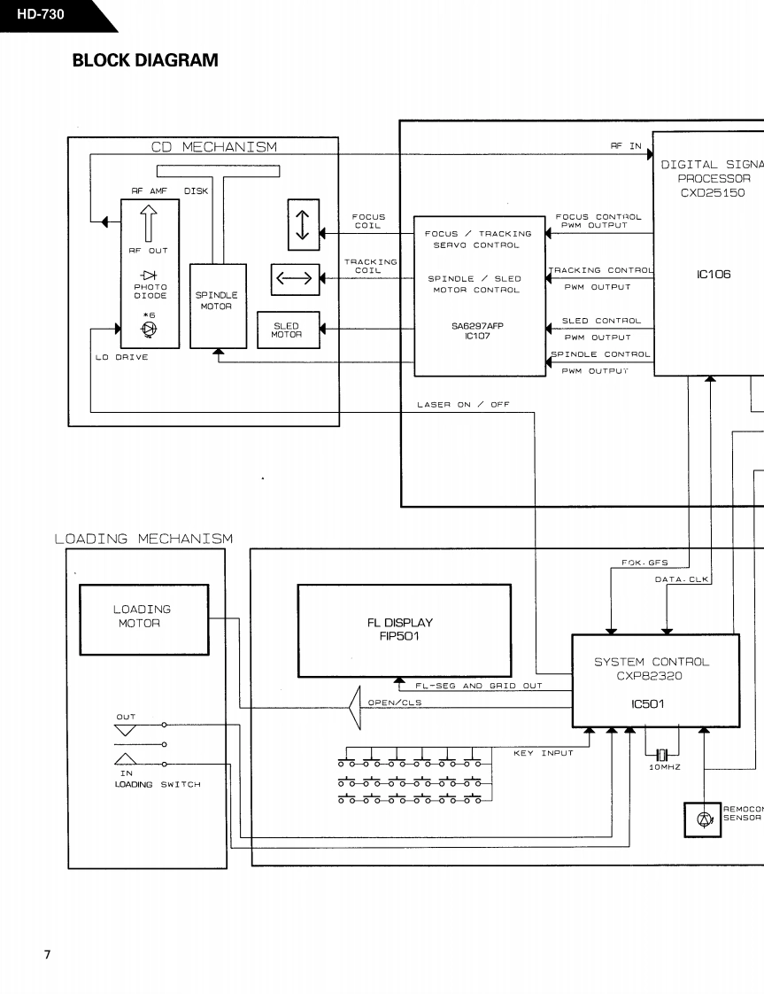
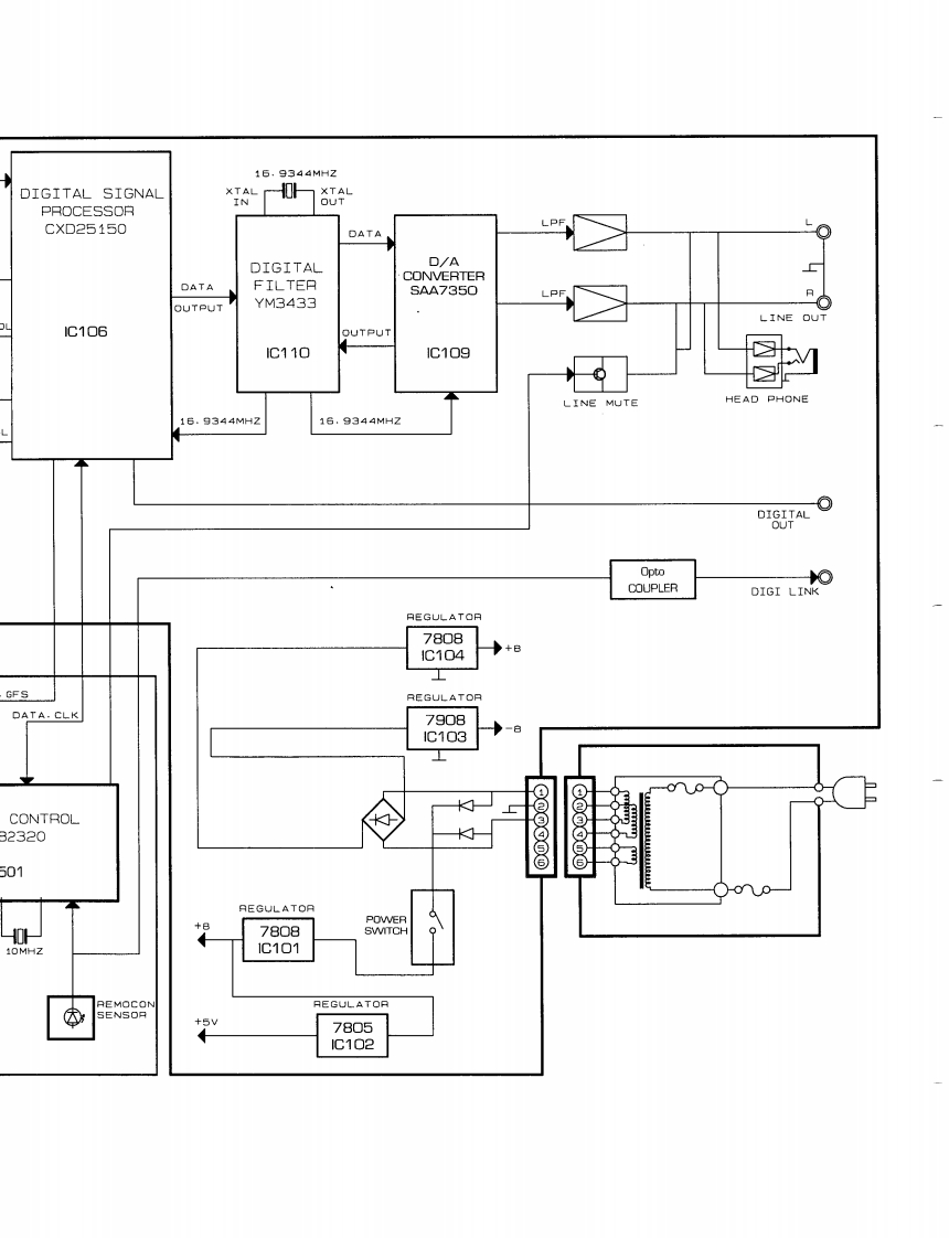
又The Harman KardonModel HD-730Manual ACOMPACT DISC PLAYERTechnical Manualharman/kardonHD73088,8888δ百■CONTENTS■LASER BEAM SAFETY PRECAUTIONS ........2GENERAL UNIT EXPLODED VIEW I,II ..........-26BEFORE REPAIRING THE COMPACT DISCKPRINTED CIRCUIT BOARDS.............28P%AYER…3XGENERAL UNIT PARTS LIST…29LEAKAGE TEST…4XELECTRICAL PARTS LIST........................29SPECIFICATIONS.......XIC'S LEAD IDENTIFICATION BLOCK DIAGRAMS..-31CONTROL AND FUNCTIONS6TRANSISTOR AND DIODE LEADBLOCK DIAGRAM…7IDENTIFICATION…40DISASSEMBLY PROCEDURES4…8PACKAGE…41PICKUP REPLACEMENT...........1VIRING DIAGRAM…42CIRCUIT DESCRIPTION............13SCHEMATIC DIAGRAM........................43TROUBLESHOOTING…19DANGER:Invisible laser radiation when open and interlock failed or defeated.AVOID DIRECT EXPOSURE TO BEAM.harman/kardonParts and Service Office80 Crossways Park West,Woodbury,N.Y.117971112-HD-730 P9603 1200 Printed in Korea
喜欢就支持一下吧
评论 抢沙发

请登录后发表评论

    请登录后查看评论内容