

第1页 / 共73页

第2页 / 共73页

第3页 / 共73页

第4页 / 共73页

第5页 / 共73页

第6页 / 共73页

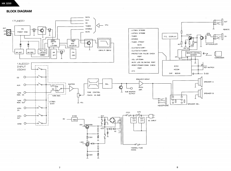
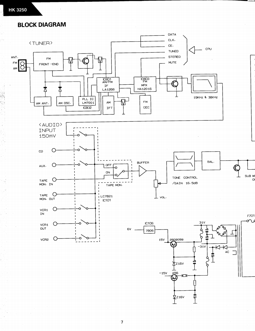
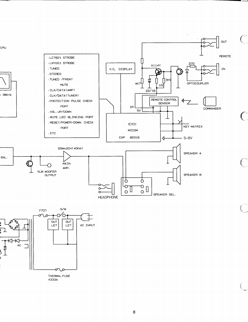
第7页 / 共73页

第8页 / 共73页

第9页 / 共73页

第10页 / 共73页
试读已结束,还剩63页,您可下载完整版后进行离线阅读
THE END
兰The Harman KardonModel HK3250Manual AAUDIO AND VIDEO RECEIVERTechnical Manualharman/kardon3250阳8s8a:O■CONTENTSSPECIFICATIONS…2GENERAL UNIT…25LEAKAGE TESTPRINTED CIRCUIT BOARDS27CONTROLS AND FUNCTIONS…5ELECTRICAL PARTS LIST..............31BLOCK DIAGRAM……7SEMICONDUCTOR LEAD IDENTIFICATIONDISASSEMBLY PROCEDURES .....................9INTERNAL DIAGRAM…35CIRCUIT DESCRIPTION..............................11TRANSISTORS LEAD IDENTIFICATION…38ALIGNMENT PROCEDURES............18PACKAGE..........39TROUBLESHOOTING…21WIRING DIAGRAM...4GENERAL UNIT PARTS LIST..................24SCHEMATIC DIAGRAMS (I,II,III)...........42harman/kardonParts and Service Office80 Crossways Park West,Woodbury,N.Y.117971112-HK3250A G9603 1200 Printed in Korea
请登录后查看评论内容