

第1页 / 共41页

第2页 / 共41页

第3页 / 共41页

第4页 / 共41页

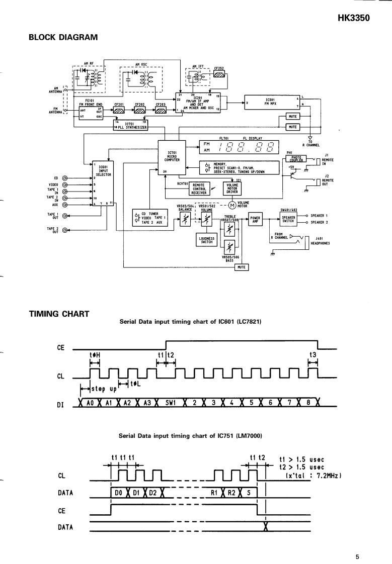
第5页 / 共41页

第6页 / 共41页

第7页 / 共41页

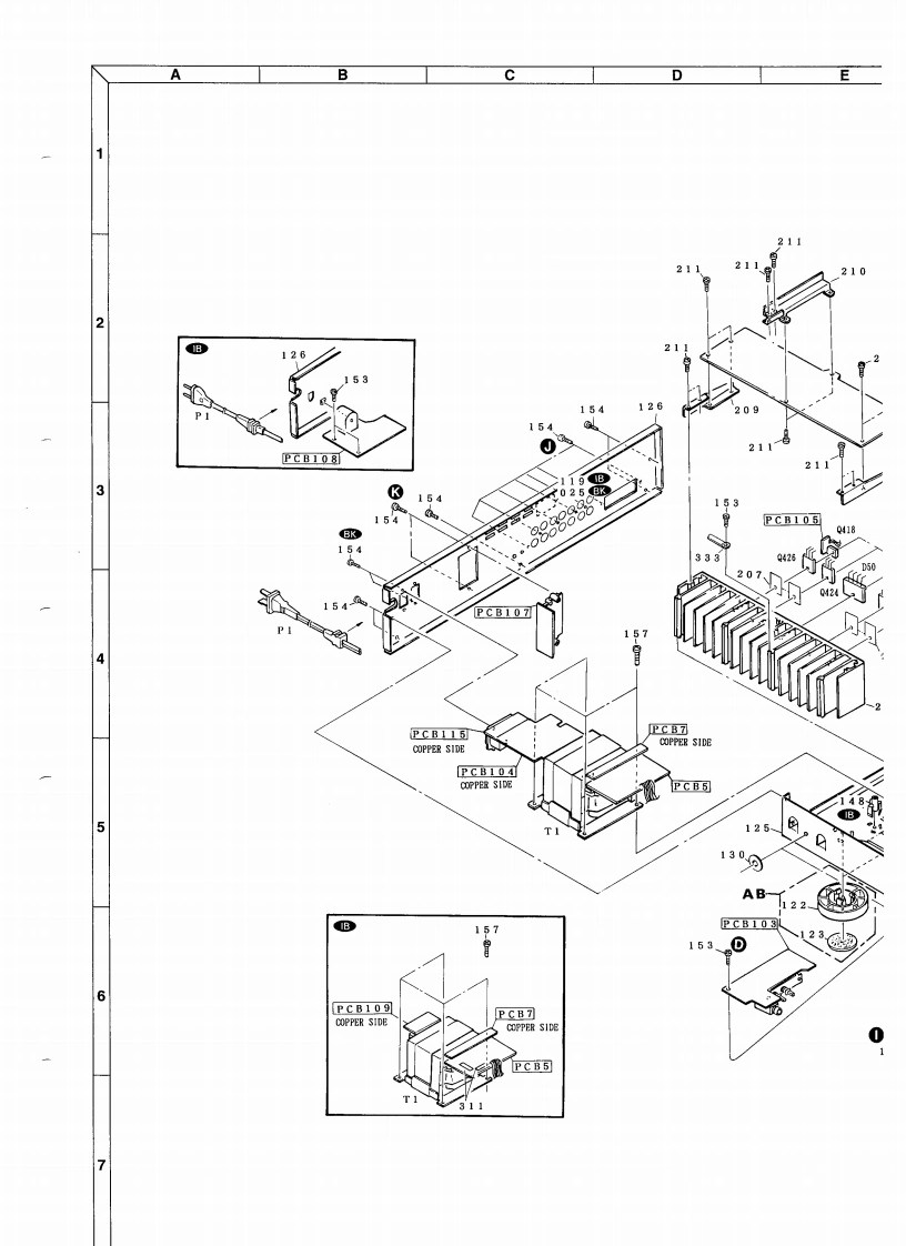
第8页 / 共41页

第9页 / 共41页

第10页 / 共41页
试读已结束,还剩31页,您可下载完整版后进行离线阅读
THE END
The Harman KardonModel HK3350Manual 191ASTEREO RECEIVERTechnical Manual工harman/kardon HK3350....The following marks found in the parts list of this manual identifythe models as followsK:North America area model Black versionInternational model Black versionCONTENTSSPECIFICATIONS...................................2GENERAL UNITLEAKAGE TEST444…(EXPLODED VIEW,PARTS LIST).8DISASSEMBLY PROCEDURES.......3PC.BOARDS.........................10CIRCUIT DESCRIPTION....................4ELECTRICAL PARTS LIST.13BL0 CK DIAGRAM45IC BLOCK DIAGRAM/IC TERMINAL FUNCTIONS.19TIMING CHART+..............................SCHEMATIC DIAGRAM...21ALIGNMENT PROCEDURES.........6WIRING DIAGRAM..........................26harman/kardonParts and Service Office240 Crossways Park West,Woodbury,N.Y.117971112-0550A152 K9311 1500 Printed in Japan
请登录后查看评论内容