

第1页 / 共44页

第2页 / 共44页

第3页 / 共44页

第4页 / 共44页

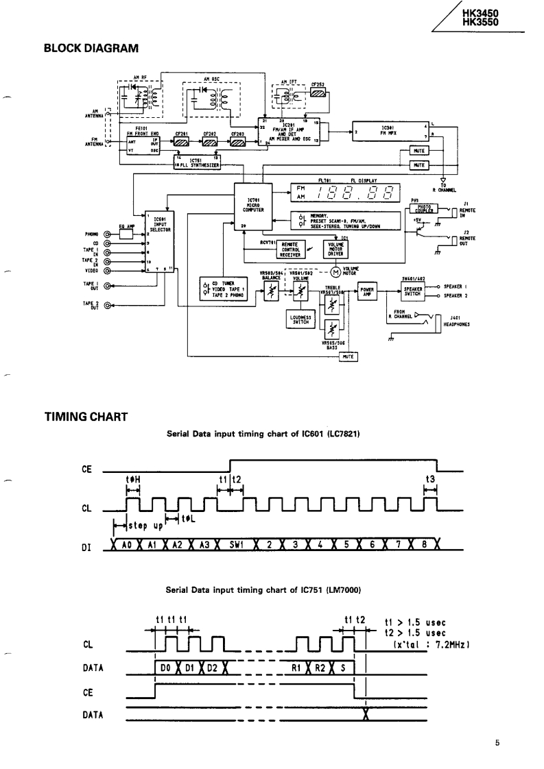
第5页 / 共44页

第6页 / 共44页

第7页 / 共44页

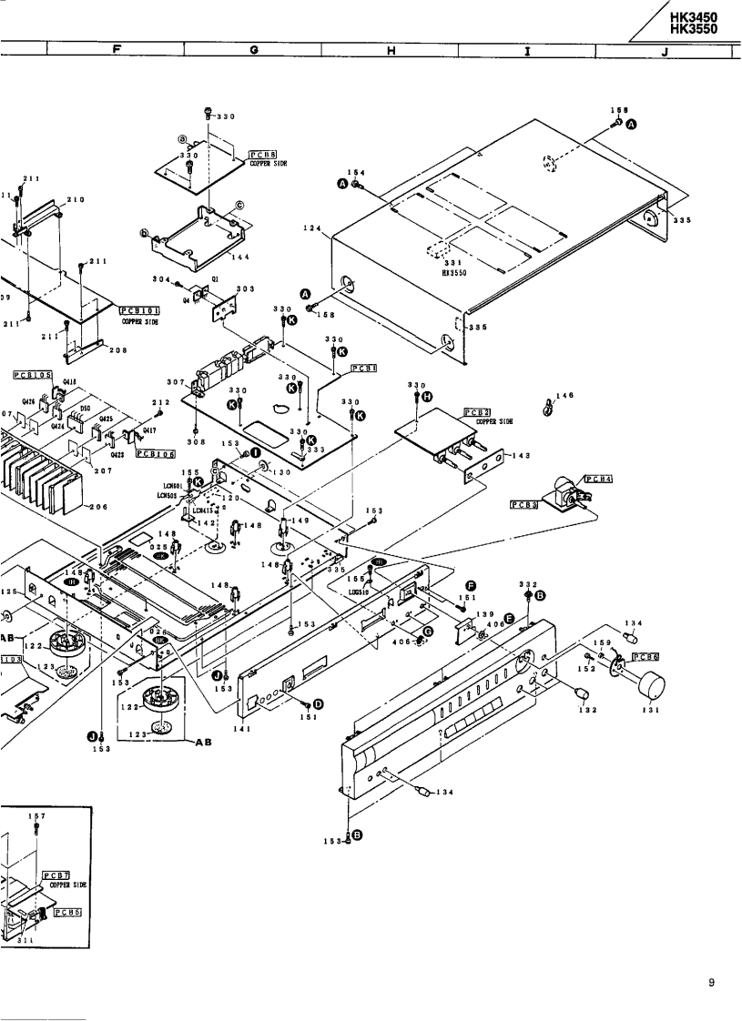
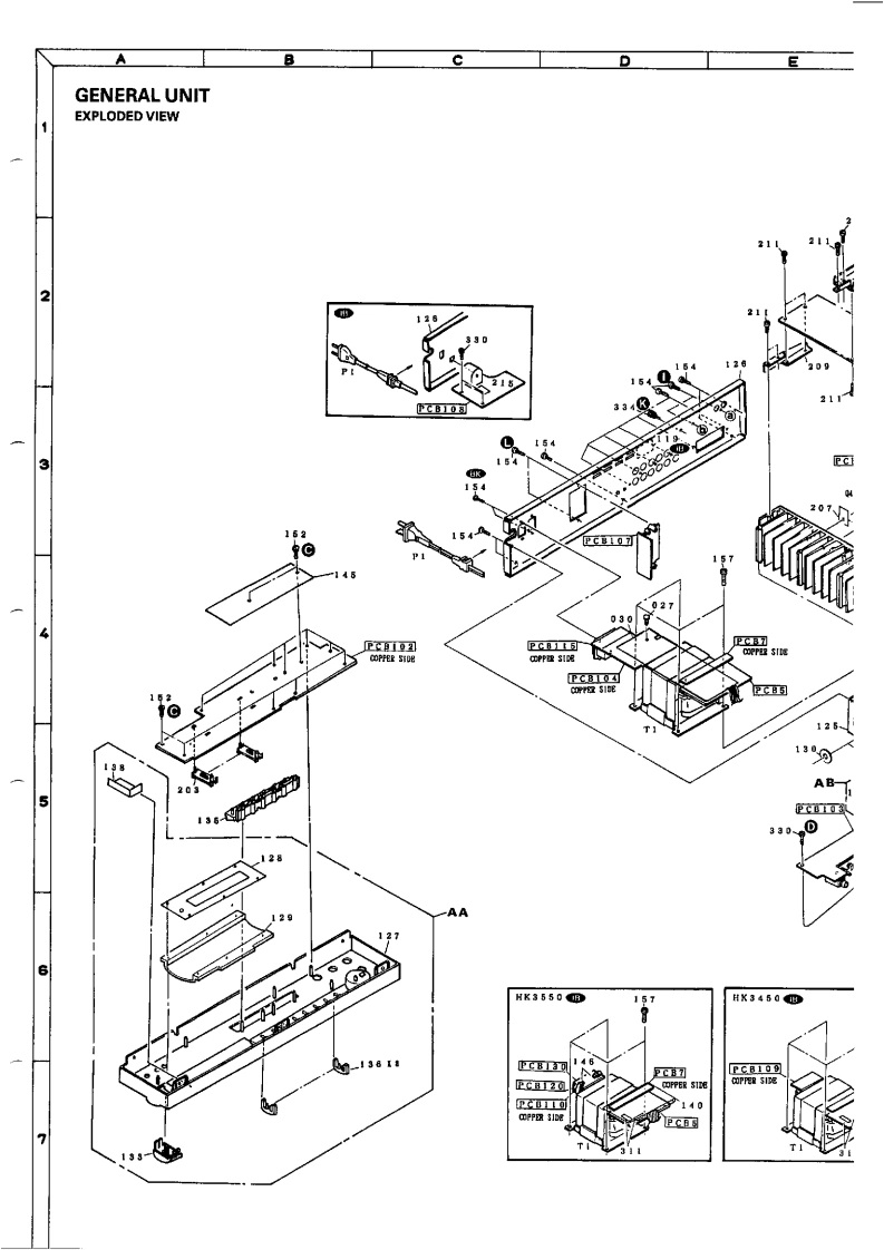
第8页 / 共44页

第9页 / 共44页

第10页 / 共44页
试读已结束,还剩34页,您可下载完整版后进行离线阅读
THE END
The Harman KardonModel HK3450/HK3550Manual 194ASTEREO RECEIVERTechnical Manualharman/kardon550s..The following marks found in the parts list of this manual identify the models asfollows:HK3550BKNorth America area model Black versionHK3450/HK3550BInternational model Black versionHK3450/HK3550International modelCONTENTSSPECIFICATIONS...2GENERAL UNIT EXPLODED VIEW........9LEAKAGE TEST.......................................................2PC,B0 ARDS....…DISASSEMBLY PROCEDURES..3ELECTRICAL PARTS LIST..13CIRCUIT DESCRIPTI0N*4ICBL0 CK DIAGRAMS…21BL0CKD列AGRAM…5IC TERMINAL FUNCTION.............23TIMING CHART...........................5SCHEMATIC DIAGRAMS......24ALlGNMENT PROCEDURES..........WIRING DIAGRAM......................................30GENERAL UNIT PARTS LIST....harman/kardonParts and Service Office80 Crossways Park West.Woodbury.N.Y.117971112-0600A152 K9404 1500 Printed in Japan
请登录后查看评论内容