

第1页 / 共44页

第2页 / 共44页

第3页 / 共44页

第4页 / 共44页

第5页 / 共44页

第6页 / 共44页

第7页 / 共44页

第8页 / 共44页

第9页 / 共44页

第10页 / 共44页
试读已结束,还剩34页,您可下载完整版后进行离线阅读
THE END
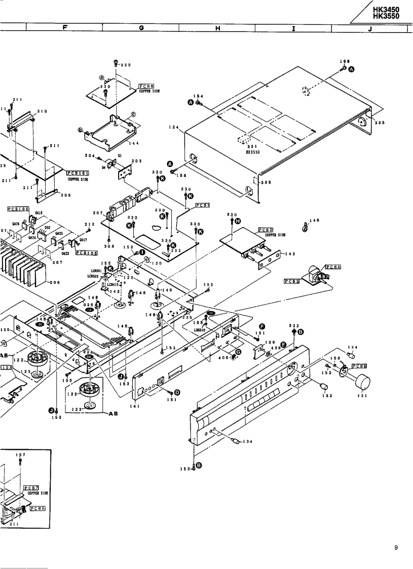
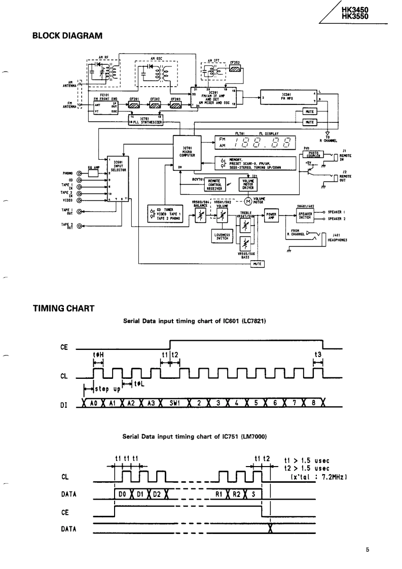
The Harman KardonModel HK3450/HK3550Manual 194ASTEREO RECEIVERTechnical Manualharman/kardon550s..The following marks found in the parts list of this manual identify the models asfollows:HK3550BKNorth America area model Black versionHK3450/HK3550BInternational model Black versionHK3450/HK3550International modelCONTENTSSPECIFICATIONS..44+…2GENERAL UNIT EXPLODED VIEW.........9LEAKAGE TEST.....................................................2PC,B0 ARDS...…DISASSEMBLY PROCEDURES..3ELECTRICAL PARTS LIST..13CIRCUIT DESCRIPTION..................4ICBL0 CK DIAGRAMS…21BL0CKD列AGRAM5IC TERMINAL FUNCTION............23TIMING CHART.........................5SCHEMATIC DIAGRAMS......24ALlGNMENT PROCEDURES..........VIRING DIAGRAM30GENERAL UNIT PARTS LIST....harman/kardonParts and Service Office80 Crossways Park West.Woodbury.N.Y.117971112-0600A152 K9404 1500 Printed in Japan
请登录后查看评论内容