哈曼卡顿Harman-Kardon-HK-400-XM-维修手册

哈曼卡顿Harman-Kardon-HK-400-XM-维修手册-找手册网
哈曼卡顿Harman-Kardon-HK-400-XM-维修手册
此内容为付费资源,请付费后查看
1921
付费资源

第1页 / 共48页

第2页 / 共48页

第3页 / 共48页

第4页 / 共48页

第5页 / 共48页

第6页 / 共48页

第7页 / 共48页

第8页 / 共48页

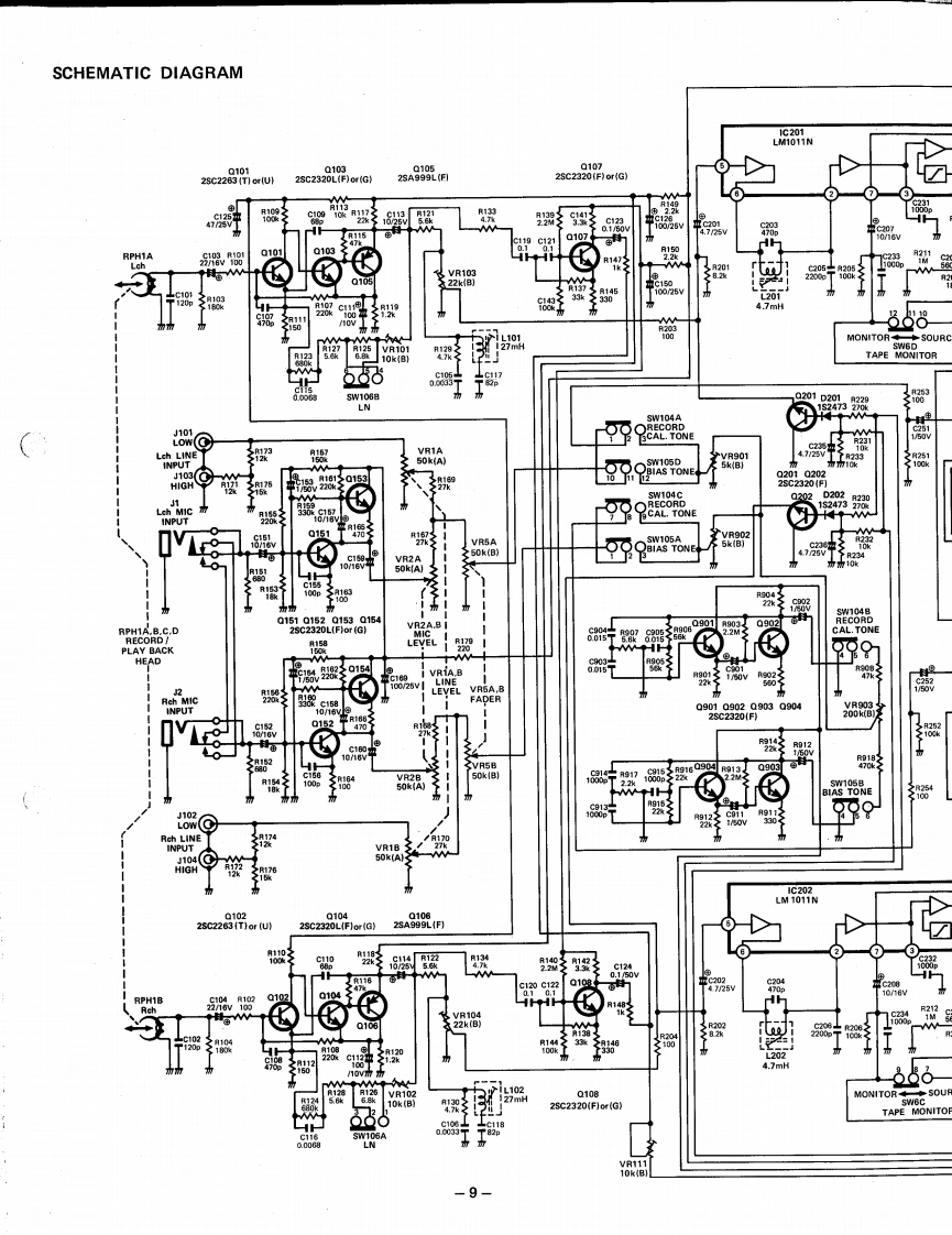
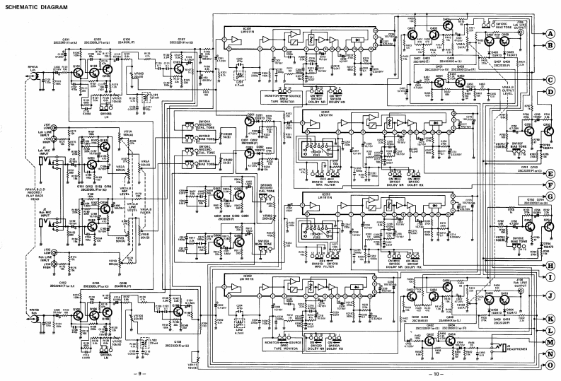
第9页 / 共48页

第10页 / 共48页
试读已结束,还剩38页,您可下载完整版后进行离线阅读
THE END
The Harman KardonModel hk 400xmStereo Cassette DeckTechnical Manualharman/kardon
喜欢就支持一下吧
评论 抢沙发

请登录后发表评论

    请登录后查看评论内容