

第1页 / 共49页

第2页 / 共49页

第3页 / 共49页

第4页 / 共49页

第5页 / 共49页

第6页 / 共49页

第7页 / 共49页

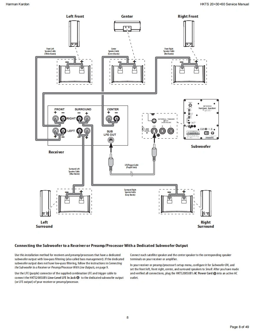
第8页 / 共49页

第9页 / 共49页

第10页 / 共49页
试读已结束,还剩39页,您可下载完整版后进行离线阅读
THE END
harman/kardonService ManualHKTS20/230,HKTS 30/230 -HKTS 30/WQHKTS60/230.Surround loudspeaker systems with active subwoofer.Earlier versions with HKTS 200 SUB.Later versions with HKTS 210 SUB.CONTENTSHKTS 20+30 USER GUIDE2HKTS 20+30WQ CENTER EXPL VIEW40HKTS 60 with 200 SUB USER GUIDE13HKTS 60 SAT EXPLODED VIEW41HKTS 60 with 210 SUB USER GUIDE24HKTS 200 SUB EXPLODED VIEW/PARTS 42HKTS 20 SAT EXPLODED VIEW/PARTS 36HKTS 200 PARTS LIST43HKTS 30 SAT EXPLODED VIEW/PARTS 37HKTS 200 SCHEMATIC DIAGRAM44HKTS 30WQ SAT EXPLODED VIEW38HKTS 210 SUB EXPLODED VIEW/PARTS 45HKTS 20+30 CENTER EXPLODED VIEW 39HKTS 210 PARTS LIST46HKTS 210 SCHEMATIC DIAGRAMS47Released EU2011Harman Consumer Group,Inc.Rev3,05/20128500 Balboa BoulevardNorthridge,California 91329
请登录后查看评论内容