哈曼卡顿Harman-Kardon-HKTS-210-230-维修手册

哈曼卡顿Harman-Kardon-HKTS-210-230-维修手册-找手册网
哈曼卡顿Harman-Kardon-HKTS-210-230-维修手册
此内容为付费资源,请付费后查看
1921
付费资源

第1页 / 共18页

第2页 / 共18页

第3页 / 共18页

第4页 / 共18页

第5页 / 共18页

第6页 / 共18页

第7页 / 共18页

第8页 / 共18页

第9页 / 共18页

第10页 / 共18页
试读已结束,还剩8页,您可下载完整版后进行离线阅读
THE END
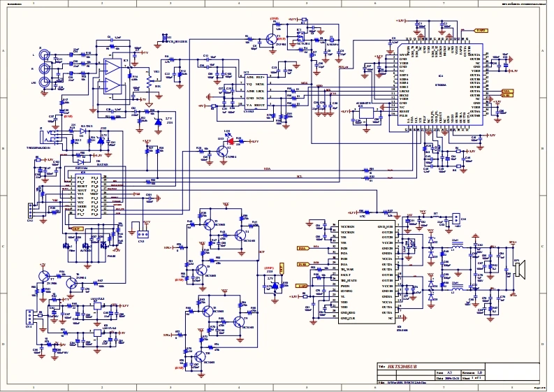
harman/kardonService ManualHKTS 200/230 SUBHKTS 210/230 SUBActive subwoofers.Part of systems HKTS 20,HKTS 30 and HKTS 60 andmore.Also sold separately.CONTENTSHKTS 200SUB rear panel connections2HKTS 200SUB PARTS LIST8HKTS 210SUB rear panel connectionsHKTS 200SUB SCHEMATIC DIAGRAMHKTS 210SUB operation4HKTS 210SUB EXPLODED VIEW/PARTS 10TROUBLESHOOTING HKTS system5HKTS 210SUB PARTS LIST11TECHNICAL SPECIFICATIONS6HKTS 210SUB SEMICONDUCTOR PINOUT 12HKTS 200SUB EXPLODED VIEW/PARTS7HKTS 210SUB SCHEMATIC DIAGRAMS 13-18Released EU2011Harman Consumer Group,Inc.Rev2,04/20118500 Balboa BoulevardNorthridge,California 91329
喜欢就支持一下吧
评论 抢沙发

请登录后发表评论

    请登录后查看评论内容