

第1页 / 共57页

第2页 / 共57页

第3页 / 共57页

第4页 / 共57页

第5页 / 共57页

第6页 / 共57页

第7页 / 共57页

第8页 / 共57页

第9页 / 共57页

第10页 / 共57页
试读已结束,还剩47页,您可下载完整版后进行离线阅读
THE END
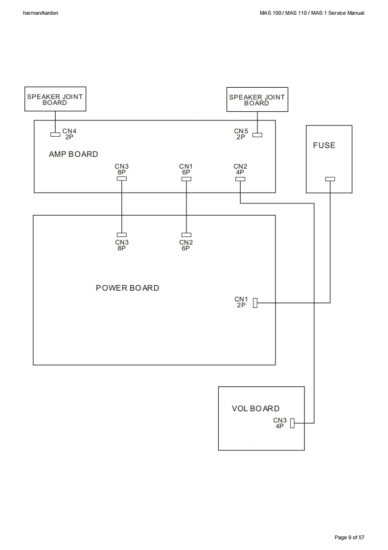
harman/kardonMAS 100/MAS 110/MAS 1 Service Manualharman/kardonService ManualMAS 100MAS 110SAS 100Compact Music SystemService Manual for Amplifier section andMAS 1 loudspeakers四CBolune14-369harman/kardonCONTENTSBASIC SPECIFICATIONS2PARTS LIST10FRONT PANEL INFORMATIONSEMICONDUCTOR PINOUTSREAR PANEL INFORMATION4PCB DRAWINGS45REMOTE CONTROL INFORMATION6SCHEMATIC DIAGRAMS2EXPLODED VIEW7MAS 1 LOUDSPEAKER,EXPLODED VIEW5WIRING DIAGRAM9MAS 1 PARTS LIST7Released EU2009Harman InternationalRev2,01/20128500 Balboa BoulevardNorthridge,California 91329Page 1 of 57
请登录后查看评论内容