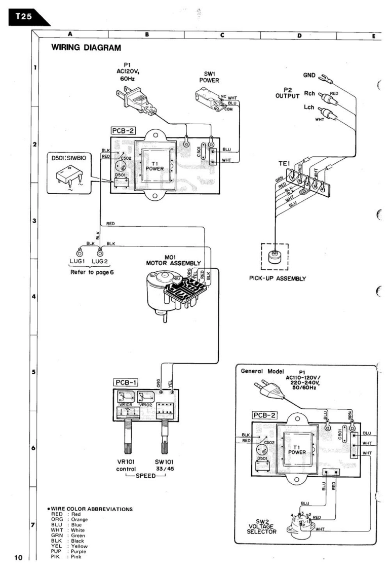
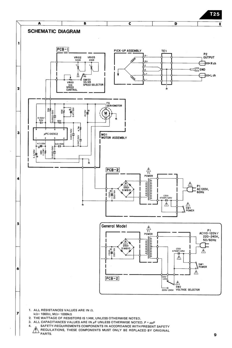
哈曼卡顿Harman-Kardon-T-25-维修手册找手册网16天前发布关注私信1.37MB10页023哈曼卡顿Harman-Kardon-T-25-维修手册此内容为付费资源,请付费后查看¥19¥21黄金会员免费钻石会员免费登录购买付费资源 第1页 / 共10页 第2页 / 共10页 第3页 / 共10页 第4页 / 共10页 第5页 / 共10页 第6页 / 共10页 第7页 / 共10页 第8页 / 共10页 第9页 / 共10页 第10页 / 共10页 已完成全部阅读,共10页 THE END哈曼卡顿/飞利浦 文本预览 The Harman KardonModel T25Manual No.73ASEMI-AUTOMATIC TURNTABLETechnical Manualharman/kardon240 CHOSSWAYS PARK WEST.WOODBURY.NY.11791112-H15273A7 P.08843 1650 PRINTED IN JAPAN 查看更多 收起部分 喜欢就支持一下吧收藏
请登录后查看评论内容