哈曼卡顿Harman-Kardon-T-35-C-维修手册

哈曼卡顿Harman-Kardon-T-35-C-维修手册-找手册网
哈曼卡顿Harman-Kardon-T-35-C-维修手册
此内容为付费资源,请付费后查看
1921
付费资源

第1页 / 共6页

第2页 / 共6页

第3页 / 共6页

第4页 / 共6页

第5页 / 共6页

第6页 / 共6页
已完成全部阅读,共6
THE END
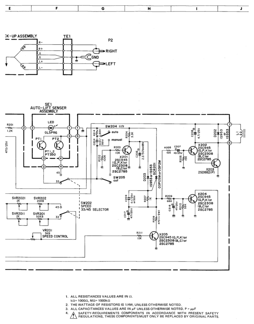
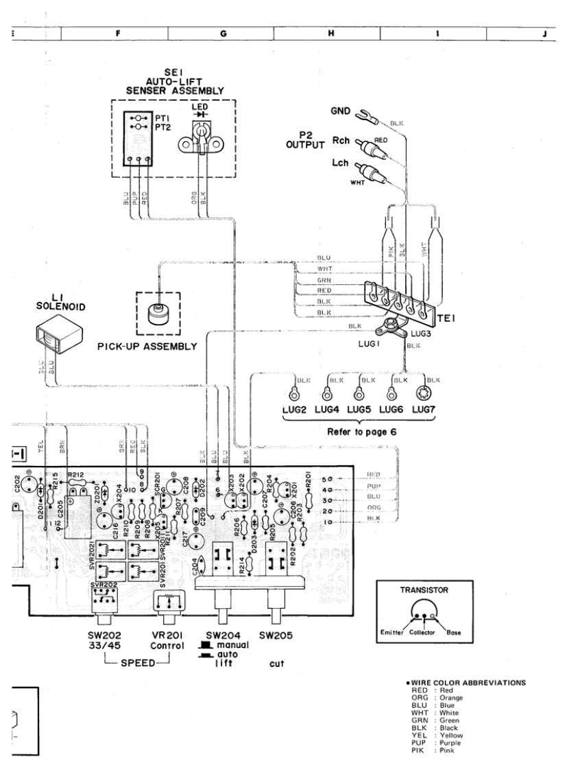
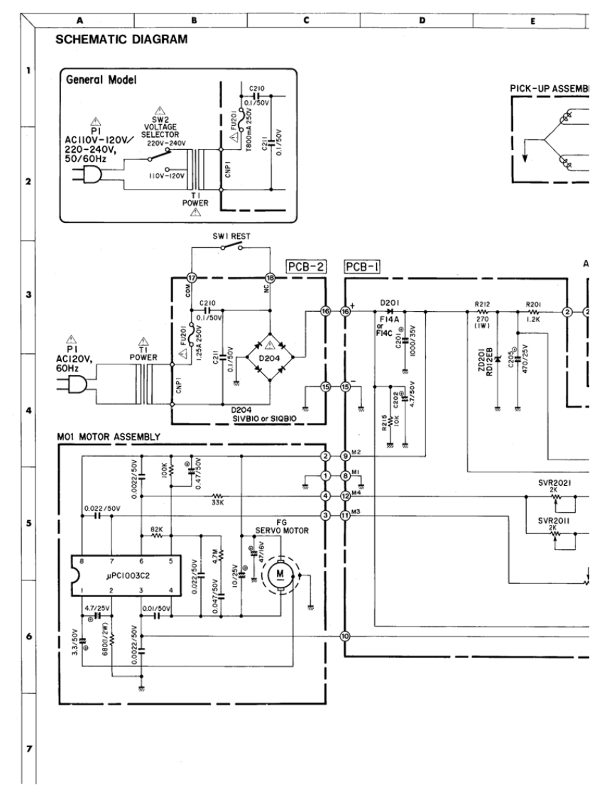
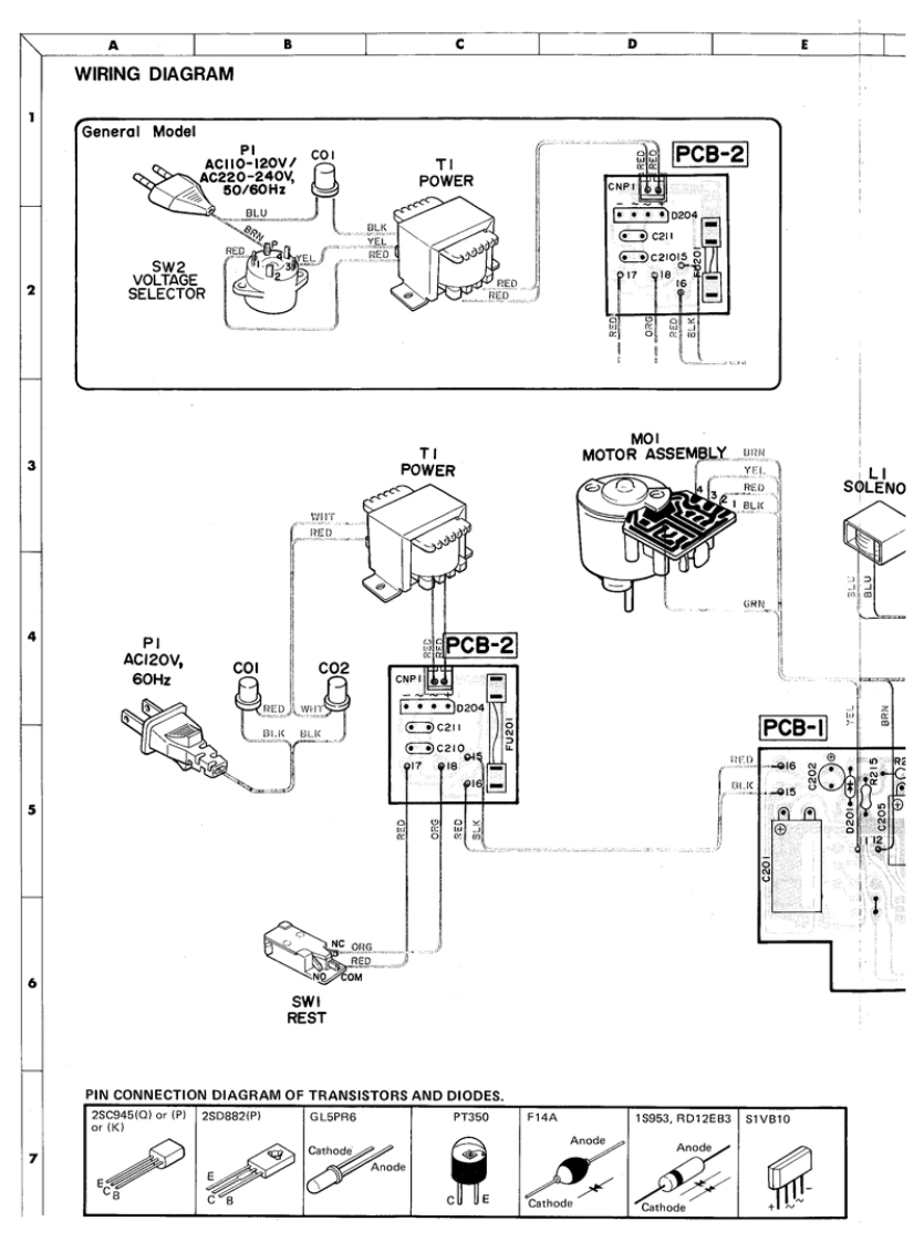
The Harman KardonModel T35CManual No.71BAUTO-LIFT TURNTABLETechnical ManualSUPPLEMENTARY MANUALTHE MODEL T35C IS IDENTICAL TO THE MODEL T35 EXCEPT FOR AN ADDED CUT SWITCH ANDOTHER PART CHANGES AS NOTED IN THIS SUPPLEMENT.REFER TO SERVICE MANUAL NO.71AFOR ALL OTHER PARTS AND SERVICE INFORMATION.harman/kardonWEST.WOODBURY.N.Y.117971112-H15271B3P-088491650 PRINTE01 N JAPAN
喜欢就支持一下吧
评论 抢沙发

请登录后发表评论

    请登录后查看评论内容