哈曼卡顿Harman-Kardon-TD-102-维修手册

哈曼卡顿Harman-Kardon-TD-102-维修手册-找手册网
哈曼卡顿Harman-Kardon-TD-102-维修手册
此内容为付费资源,请付费后查看
1921
付费资源

第1页 / 共54页

第2页 / 共54页

第3页 / 共54页

第4页 / 共54页

第5页 / 共54页

第6页 / 共54页

第7页 / 共54页

第8页 / 共54页

第9页 / 共54页

第10页 / 共54页
试读已结束,还剩44页,您可下载完整版后进行离线阅读
THE END
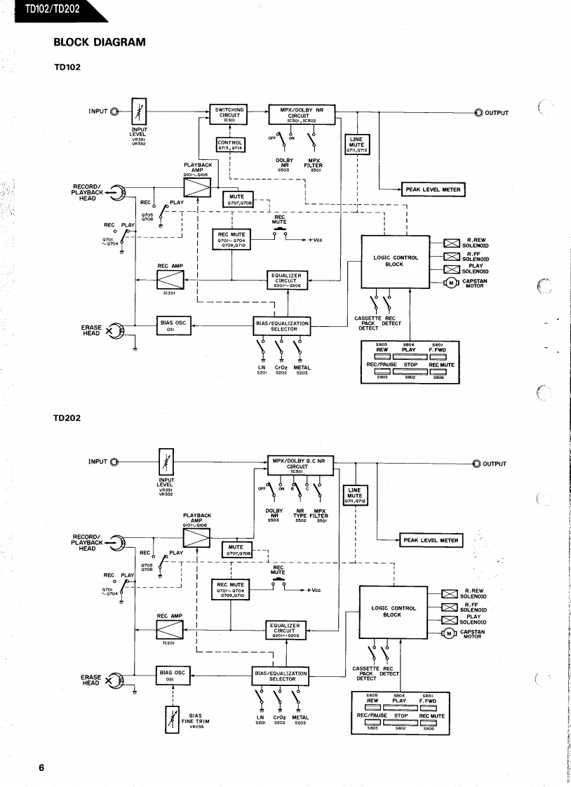
The Harman KardonModel TD102/TD202Manual 108AULTRAWIDEBAND LINEAR PHASE CASSETTE DECK102110202Technical Manualharman/kardon240Crossways ParkWest,Woodbury,N.Y.117971112-3152108A2P-0886101500 Printed in Japan
喜欢就支持一下吧
评论 抢沙发

请登录后发表评论

    请登录后查看评论内容