

第1页 / 共86页

第2页 / 共86页

第3页 / 共86页

第4页 / 共86页

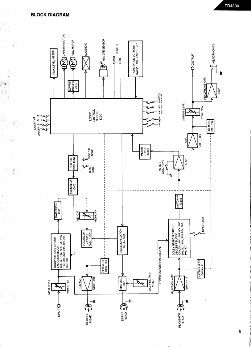
第5页 / 共86页

第6页 / 共86页

第7页 / 共86页

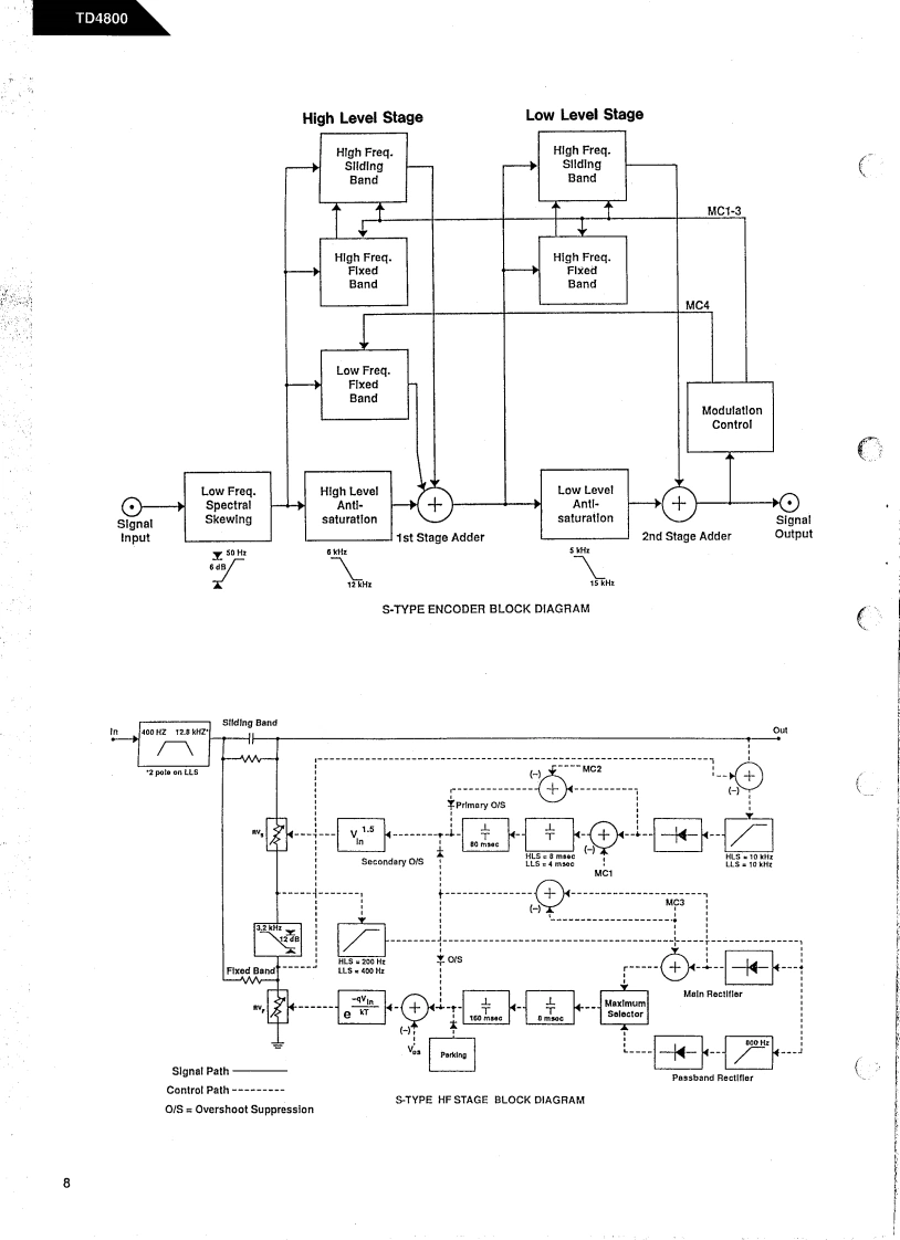
第8页 / 共86页

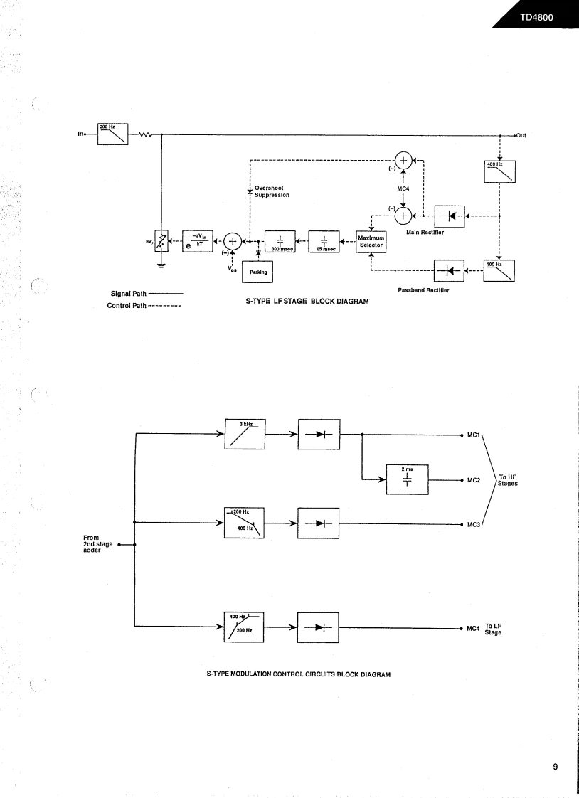
第9页 / 共86页

第10页 / 共86页
试读已结束,还剩76页,您可下载完整版后进行离线阅读
THE END
The Harman KardonModel TD4800Manual 165A3 HEADS CD TRANSCRIPTION QUALITY CASSETTE DECKTechnical Manualharman kardon TOThe following marks found in the parts list of this manualidentify the models as follows.North America area modelNorth America area model Black version0International model®International model Black versionTD4600harman/kardon240 Crossways Park West,Woodbury,N.Y.117971112-3152165A8P-1190122000 Printed in Japan
请登录后查看评论内容