

第1页 / 共49页

第2页 / 共49页

第3页 / 共49页

第4页 / 共49页

第5页 / 共49页

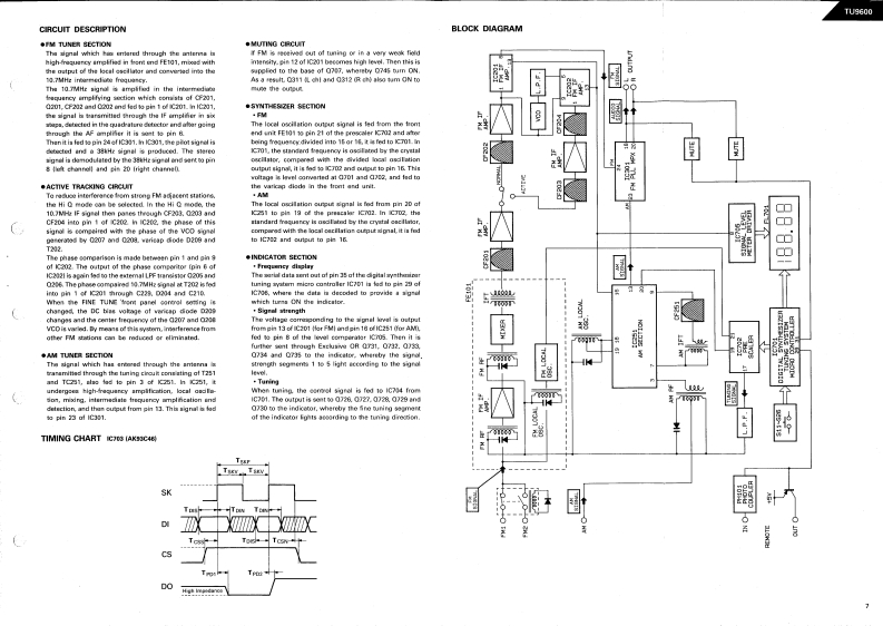
第6页 / 共49页

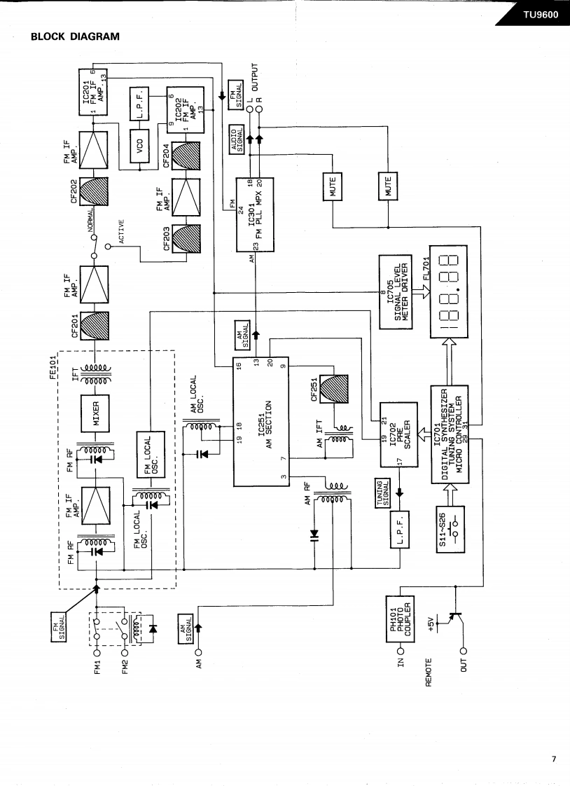
第7页 / 共49页

第8页 / 共49页

第9页 / 共49页

第10页 / 共49页
试读已结束,还剩39页,您可下载完整版后进行离线阅读
THE END
The Harman KardonModel TU9600Manual 155AACTIVE TRACKING TUNERTechnical Manualharman kardon 7S0《(·夕The following marks found in the parts list of this manual identifythe models as follows.:North America area model Black version®International model Black versionBBAustralia model Black versionharman/kardon240 Crossways Park West,Woodbury,N.Y.117971112-3152155A8P.0790072000 Printed in Japan
请登录后查看评论内容