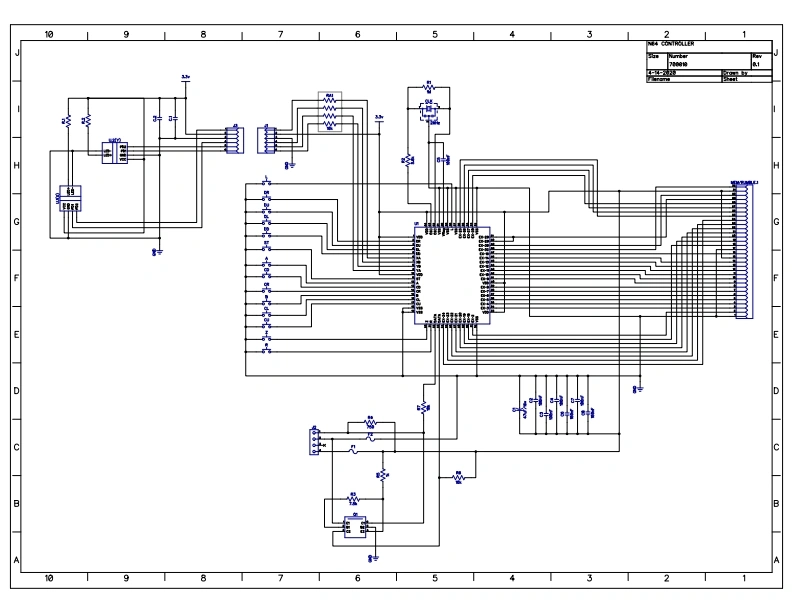
任天堂N64手柄电器原理图二找手册网21小时前发布关注私信55.47KB1页043任天堂N64手柄电器原理图二此内容为付费资源,请付费后查看¥19¥21黄金会员免费钻石会员免费立即购买您当前未登录!建议登陆后购买,可保存购买订单付费资源 第1页 / 共1页 已完成全部阅读,共1页 THE END任天堂 文本预览 109765321N4 ONTHOLLEM70将片H函HGGEB1伯9852 查看更多 收起部分 喜欢就支持一下吧收藏
请登录后查看评论内容