

第1页 / 共19页

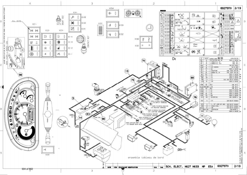
第2页 / 共19页

第3页 / 共19页

第4页 / 共19页

第5页 / 共19页

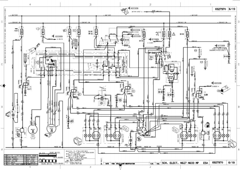
第6页 / 共19页

第7页 / 共19页

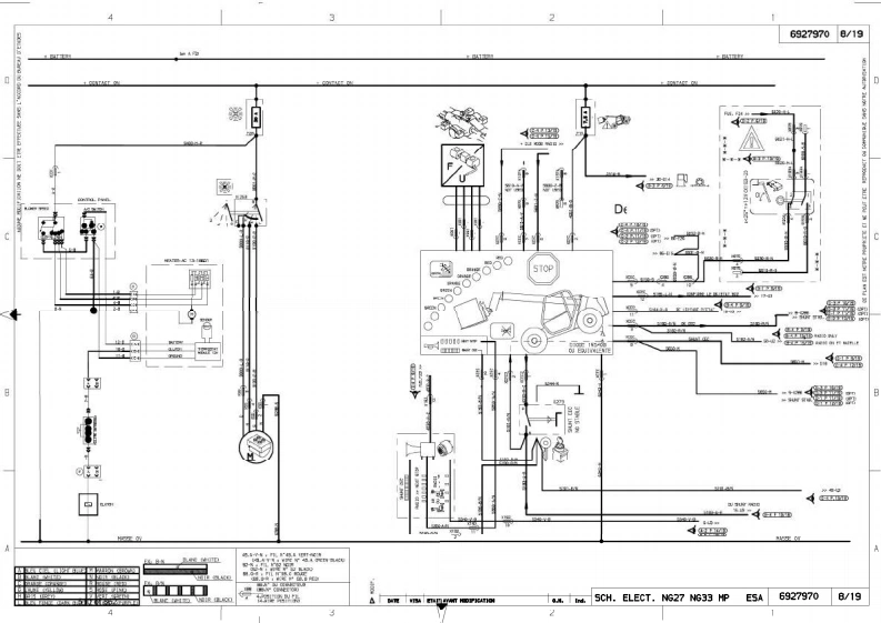
第8页 / 共19页

第9页 / 共19页

第10页 / 共19页
试读已结束,还剩9页,您可下载完整版后进行离线阅读
THE END
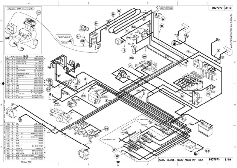
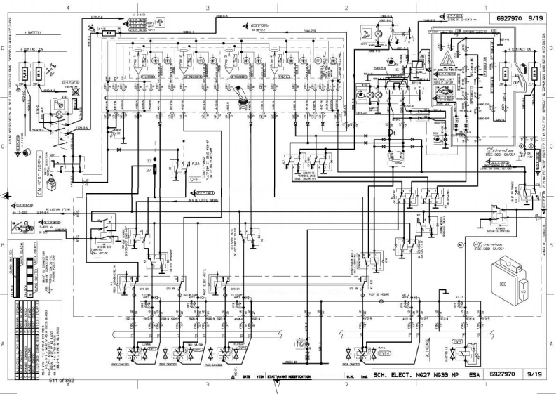
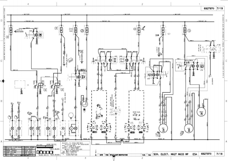
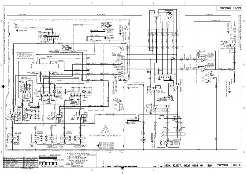
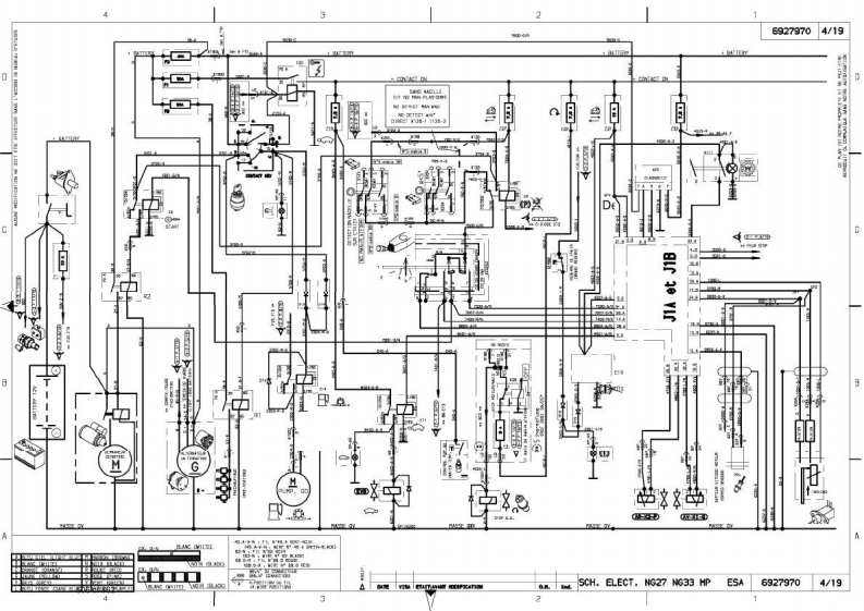
32LEGEND69279701/100XXXXXXX9/13554VERS LE DONECTEUR XI5A#CWIRE GOING TO THE CPrgist NG27H0n月Nt5eeie5 arigl N】X154 IN THE POSITION 5)T351203Mp5/N0T40140(ed uve)T401705/N-0 suivont(enda电ove)@三A☑型器尚ATTENTICNt年FN0-4.EPU510CHARNING)PACE 11.12 SUIVANT CPTIONS(ACCORDING TO THE OPTIONS)PAGE 13,14 LAU LIEU DE PAGE 9,101 EN COMMANDE RADIO SEULE SANS NACELLE(CINSTEAD CF PACE 9.101 WHITH RADIO CONTROL WI THOUT MAN-PLATEFORM.PACE 15.16,17 (AU LIEU DE PACE 9.10)EN COMMANDE RADIO SEULE DEPUIS LA NACELLE((INSTEAD OF PAGE 9,10)WH]TH RADI0 CONTRCL FROM THE MAN-PLATEFCRM.PABE 18.19 CIRCUITS COMPLETS OU BCC ET RADIO PCUR INFD.(P11/13)(FULL CIRCUIT OF THE BCC AND THE RADIO FOR INFO.]2-X1日3>FIL VENINT D CONNECTELR X143 EN POSITION 2x54X-一上E卫152ae1UeD送1--HtPs1t⊙目54L15UaATE灯1N设CAORRE AVEC LE光化a4CANS LNE CEMFLOIRATIEN DIFFIRENTEDNARNING:T X MITH THE MARCER wwwI5L0NM准月PA泛INADEFFIRENTE COVF IGURATSON32品r④Bobcat France S.AA-9到知g目角用稀阿6,A3SCH.ELECT.NG27 NG33 NP ESA6927970030f5
请登录后查看评论内容