

第1页 / 共50页

第2页 / 共50页

第3页 / 共50页

第4页 / 共50页

第5页 / 共50页

第6页 / 共50页

第7页 / 共50页

第8页 / 共50页

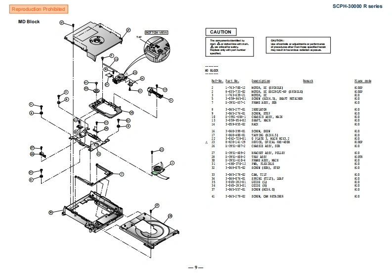
第9页 / 共50页

第10页 / 共50页
试读已结束,还剩40页,您可下载完整版后进行离线阅读
THE END
SCPH-30001 RSCPH-30002RSCPH-30003RSCPH-30004RSCPH-30000 R seriesSERVICE MANUALfor GH013(31/41)and GH014 MOUNT1st Edition40SONY背。PlayStation.2Sony Computer Entertainment Inc.Quallty Asurance DepartmentPubishod in年an0.2001.9-927-09301
请登录后查看评论内容