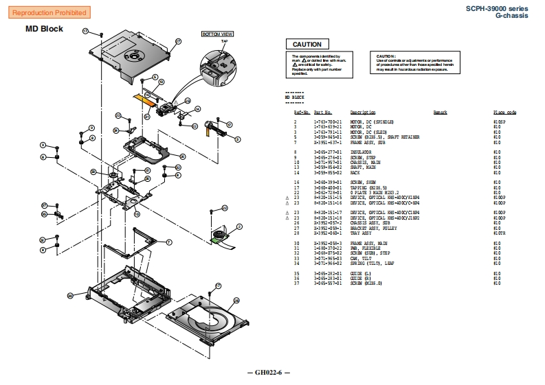
sony-ps2-scph-39000_series_service_manual_gh-022

sony-ps2-scph-39000_series_service_manual_gh-022-找手册网
sony-ps2-scph-39000_series_service_manual_gh-022
此内容为付费资源,请付费后查看
1921
付费资源

第1页 / 共28页

第2页 / 共28页

第3页 / 共28页

第4页 / 共28页

第5页 / 共28页

第6页 / 共28页

第7页 / 共28页

第8页 / 共28页

第9页 / 共28页

第10页 / 共28页
试读已结束,还剩18页,您可下载完整版后进行离线阅读
THE END
SCPH-39002SCPH-39003SCPH-39004SCPH-39008SCPH-39000 seriesSERVICE MANUAL 4th Editionfor GH022 MOUNT(G-chassis)SONY。PlayStation.2Sory Computer Entertainment Inc.CS DepartmentPu铺o时n Jacanc22002902709415
喜欢就支持一下吧
评论 抢沙发

请登录后发表评论

    请登录后查看评论内容