sony-ps2-scph-50000_series_service_manual维修说明书手册电器原理图_gh-026

sony-ps2-scph-50000_series_service_manual维修说明书手册电器原理图_gh-026-找手册网
sony-ps2-scph-50000_series_service_manual维修说明书手册电器原理图_gh-026
此内容为付费资源,请付费后查看
1921
付费资源

第1页 / 共26页

第2页 / 共26页

第3页 / 共26页

第4页 / 共26页

第5页 / 共26页

第6页 / 共26页

第7页 / 共26页

第8页 / 共26页

第9页 / 共26页

第10页 / 共26页
试读已结束,还剩16页,您可下载完整版后进行离线阅读
THE END
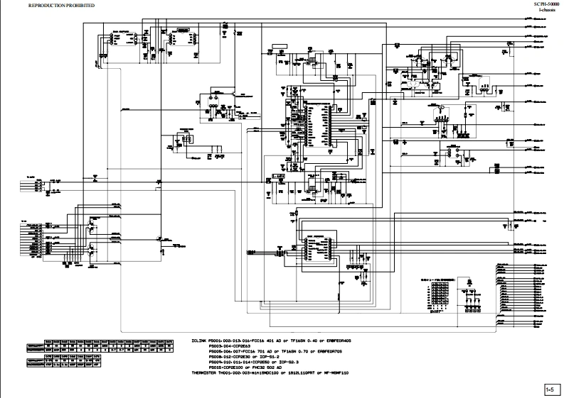
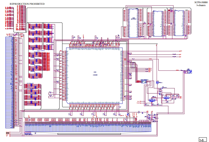
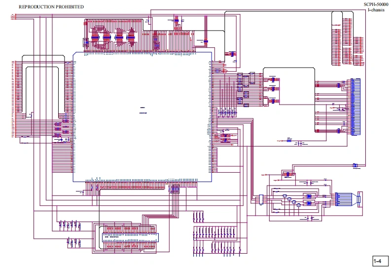
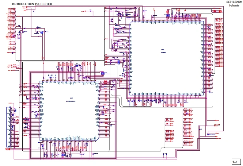
SCPH-50000PlayStationSCPH-50000 seriesSERVICE MANUAL 2nd editionfor GH-026 BOARD(I-chassis)SONY研Sony Computer Entertainment Inc.PlayStation.2Customer Servlce DepartmentFoxconn'
喜欢就支持一下吧
评论 抢沙发

请登录后发表评论

    请登录后查看评论内容