安捷伦HP_53131A_Universal_Counter_Service_Manual维修手册含电器原理图

安捷伦HP_53131A_Universal_Counter_Service_Manual维修手册含电器原理图-找手册网
安捷伦HP_53131A_Universal_Counter_Service_Manual维修手册含电器原理图
此内容为付费资源,请付费后查看
1921
付费资源

第1页 / 共47页

第2页 / 共47页

第3页 / 共47页

第4页 / 共47页

第5页 / 共47页

第6页 / 共47页

第7页 / 共47页

第8页 / 共47页

第9页 / 共47页

第10页 / 共47页
试读已结束,还剩37页,您可下载完整版后进行离线阅读
THE END
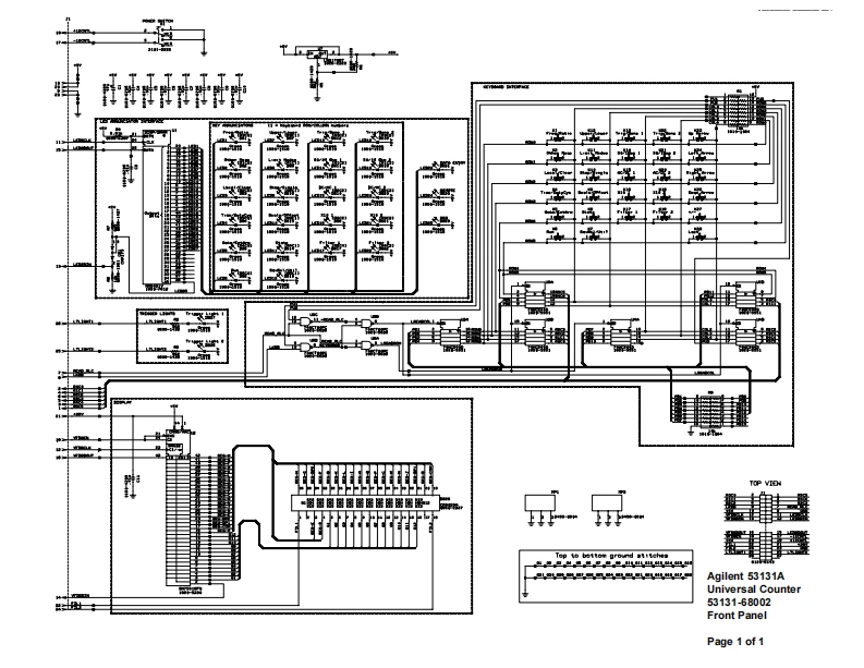
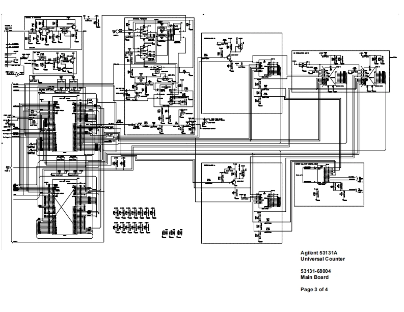
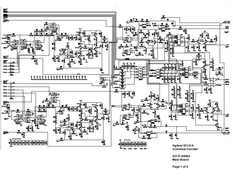
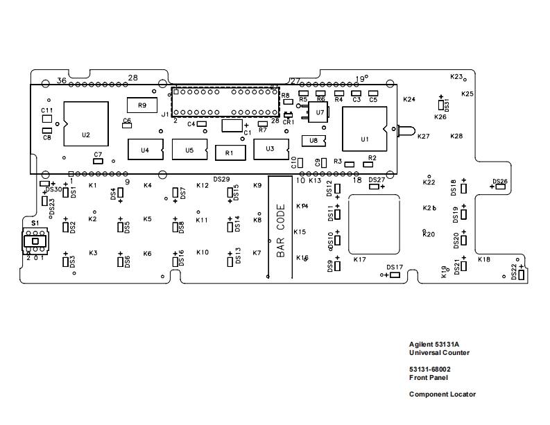
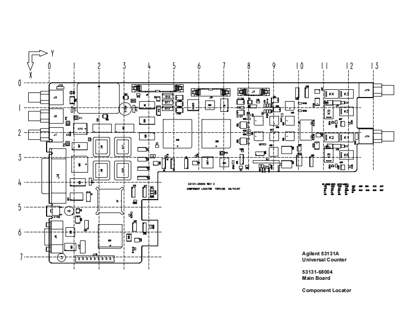
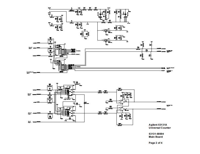
Agilent 53131AComponent LevelInformationAgilent Technologies
喜欢就支持一下吧
评论 抢沙发

请登录后发表评论

    请登录后查看评论内容